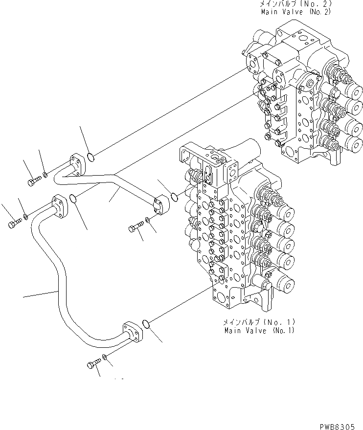
Запчасти Komatsu PC1100-6 ПРЯМ. ГИДРОЛИНИЯ ХОДА(TROPICAL WEATHER СПЕЦ-Я.) ГИДРАВЛИКА

Схема запчастей Komatsu PC1100-6 - ПРЯМ. ГИДРОЛИНИЯ ХОДА(TROPICAL WEATHER СПЕЦ-Я.) ГИДРАВЛИКА
1
2
3
4
5
6
7
8
9
9
10
10
11
11
FIT
1:1
100%

Артикул

Название

Примечание

Количество

1

21N-62-32771

TUBE

2

01010-81060

BOLT

3

01643-31032

WASHER

4

07000-B3035

O-RING

5

01010-81250

BOLT

6

01643-31232

WASHER

7

07000-B3038

O-RING

8

209-62-52120

TUBE

9

01010-81250

BOLT

10

01643-31232

WASHER

11

07000-B3038

O-RING

Выбрано товаров: 11