Запчасти Komatsu PC1100-6 КОВШ¤ .M (CECE .M)¤ 7MM (ГОРИЗОНТАЛЬН. ПАЛЕЦ) РАБОЧЕЕ ОБОРУДОВАНИЕ

Схема запчастей Komatsu PC1100-6 - КОВШ¤ .M (CECE .M)¤ 7MM (ГОРИЗОНТАЛЬН. ПАЛЕЦ) РАБОЧЕЕ ОБОРУДОВАНИЕ
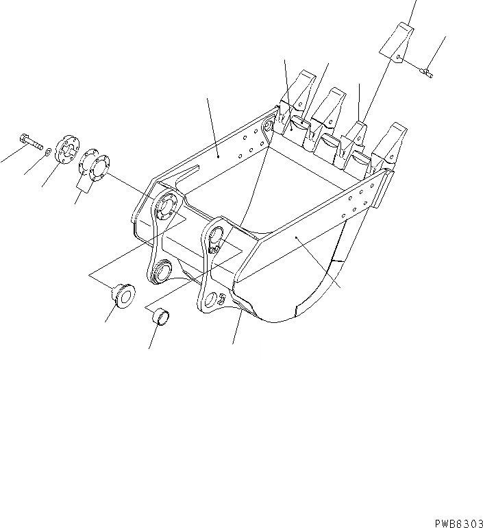
1
2
3
4
5
6
7
8
9
10
11
12
13
14
FIT
1:1
100%

Артикул

Название

Примечание

Количество

1

21N-926-3110

BUCKET

2

21N-926-3B10

PLATE (WELDED)

3

21N-926-3150

PLATE (WELDED)

4

21N-70-34161

PLATE,L.H. (WELDED)

5

21N-70-34171

PLATE,R.H. (WELDED)

6

21N-70-14140

ADAPTER (WELDED)

7

21N-72-14290

POINT

8

21N-72-14331

PIN ASS'Y

8

21N-72-14330

PIN ASS'Y

9

21N-70-14310

COVER

10

01010-83085

BOLT

11

01643-33080

WASHER

12

21N-70-34180

BUSHING

13

21N-70-14220

BUSHING

14

21N-70-00060

SHIM ASS'Y

14

SHIM, 1.0MM

14

SHIM, 0.5MM

Выбрано товаров: 17