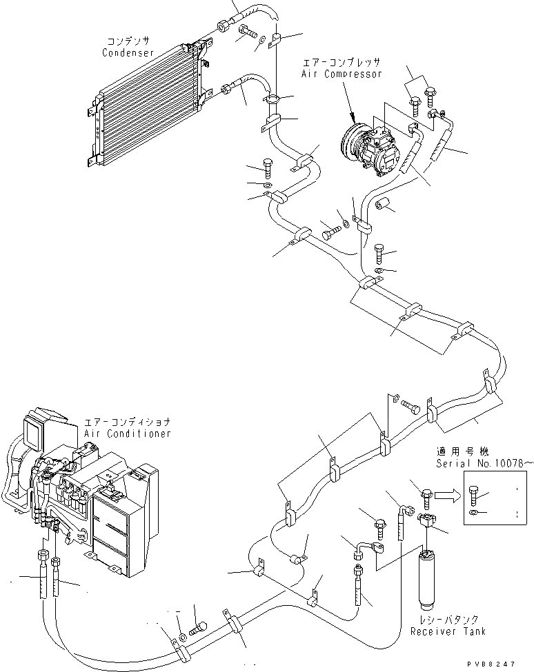
Запчасти Komatsu PC1100-6 КОНДИЦ. ВОЗДУХА (СОЕД. ШЛАНГОВ) КАБИНА ОПЕРАТОРА И СИСТЕМА УПРАВЛЕНИЯ

Схема запчастей Komatsu PC1100-6 - КОНДИЦ. ВОЗДУХА (СОЕД. ШЛАНГОВ) КАБИНА ОПЕРАТОРА И СИСТЕМА УПРАВЛЕНИЯ
1
1
2
2
3
3
4
4
5
6
7
8
8
8
9
9
9
9
10
10
10
10
10
10
11
11
11
11
12
12
12
12
13
14
15
16
17
17
17A
17B
18
FIT
1:1
100%

Артикул

Название

Примечание

Количество

1

21N-979-3511

HOSE¤ 2900MM

|1

20Y-979-3140

O-RING

2

21N-979-3521

HOSE¤ 7400MM

|2

20Y-979-3150

O-RING

3

21N-979-3541

HOSE¤ 7300MM

|3

20Y-979-3130

O-RING

4

209-979-7451

HOSE

|4

20Y-979-3150

O-RING

5

21N-979-3420

JOINT

|5

20Y-979-3150

O-RING

6

21N-979-3431

TUBE

|6

20Y-979-3150

O-RING

7

04434-51912

CLIP

8

04434-52112

CLIP

9

04435-51912

CLIP

10

04435-52112

CLIP

11

01010-81225

BOLT

12

01643-31232

WASHER

13

20Y-03-11220

COLLAR

14

01010-81260

BOLT

15

01643-31232

WASHER

16

01435-00630

BOLT

17

01435-00625

BOLT

|17

01435-00625

BOLT

17A

01010-80625

BOLT

17B

01643-30623

WASHER

18

08034-00519

BAND

Выбрано товаров: 27