Запчасти Komatsu PC1100-6 КАПОТ ЧАСТИ КОРПУСА

Схема запчастей Komatsu PC1100-6 - КАПОТ ЧАСТИ КОРПУСА
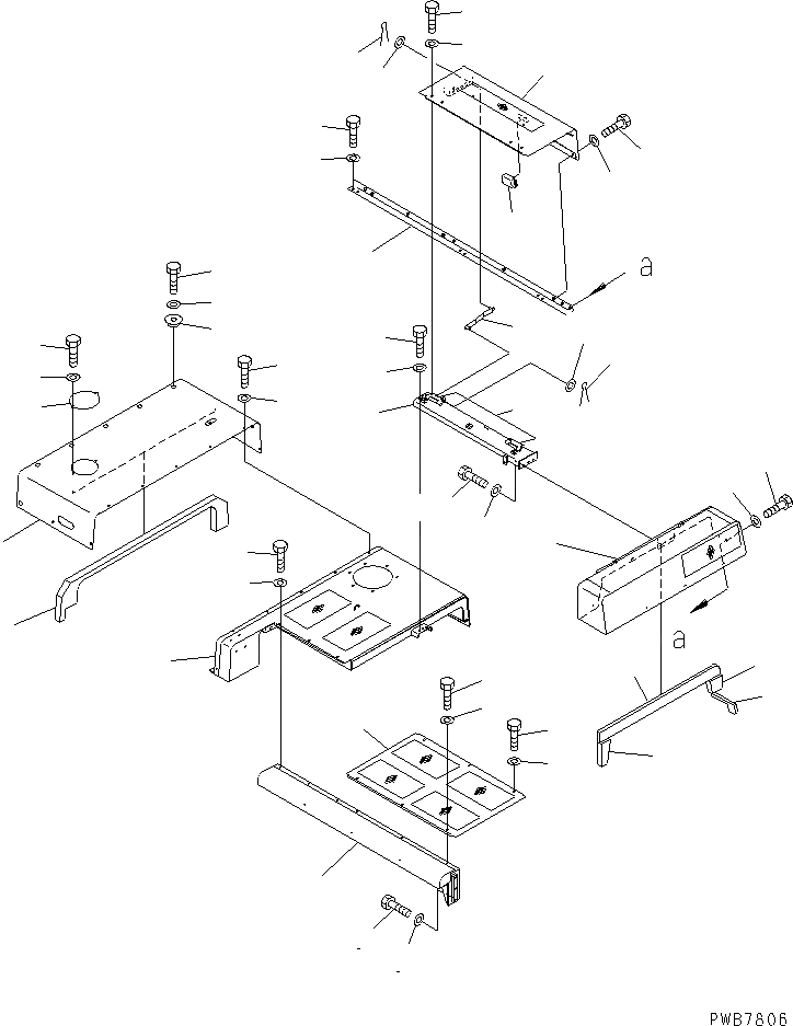
1
2
3
4
5
6
7
8
9
10
11
12
13
13
14
14
15
16
17
17
18
18
19
20
21
21
22
22
23
24
25
26
27
27
28
28
29
30
31
32
33
33
34
34
35
36
37
38
38
FIT
1:1
100%

Артикул

Название

Примечание

Количество

1

21N-54-31111

COVER

2

01010-81230

BOLT

3

01643-31232

WASHER

4

21N-54-31121

BRACKET

5

01010-81255

BOLT

6

01643-31232

WASHER

7

21N-54-31132

COVER

|7

21N-54-31131

COVER

8

21N-54-31710

SHEET

9

21N-54-31720

SHEET

10

21N-54-31730

SHEET

11

21N-54-31740

SHEET

12

21N-54-31140

COVER

13

01010-81230

BOLT

14

01643-31232

WASHER

15

21N-54-31151

COVER

16

209-54-12280

HANDLE

17

01010-81230

BOLT

18

01643-31232

WASHER

19

21N-54-31161

FRAME

20

20Y-54-28161

HINGE (WELDED)

21

01010-81230

BOLT

22

01643-31232

WASHER

23

21N-54-31171

FRAME

24

01010-81230

BOLT

25

01643-31232

WASHER

26

209-54-53151

STAY

27

04050-14028

PIN

28

01643-31645

WASHER

29

01010-81230

BOLT

30

01643-31232

WASHER

31

21N-54-31181

COVER

32

21N-54-31191

SHEET

33

01010-81230

BOLT

34

01643-31232

WASHER

35

203-54-62670

COLLAR

36

207-54-51440

PLATE

37

01024-81230

BOLT

38

01010-81230

BOLT

38

01643-31232

WASHER

Выбрано товаров: 40