Запчасти Komatsu PC1100-6 МОТОР ПОВОРОТА (ПЕРЕДН.) ПОВОРОТН. КРУГ И КОМПОНЕНТЫ

Схема запчастей Komatsu PC1100-6 - МОТОР ПОВОРОТА (ПЕРЕДН.) ПОВОРОТН. КРУГ И КОМПОНЕНТЫ
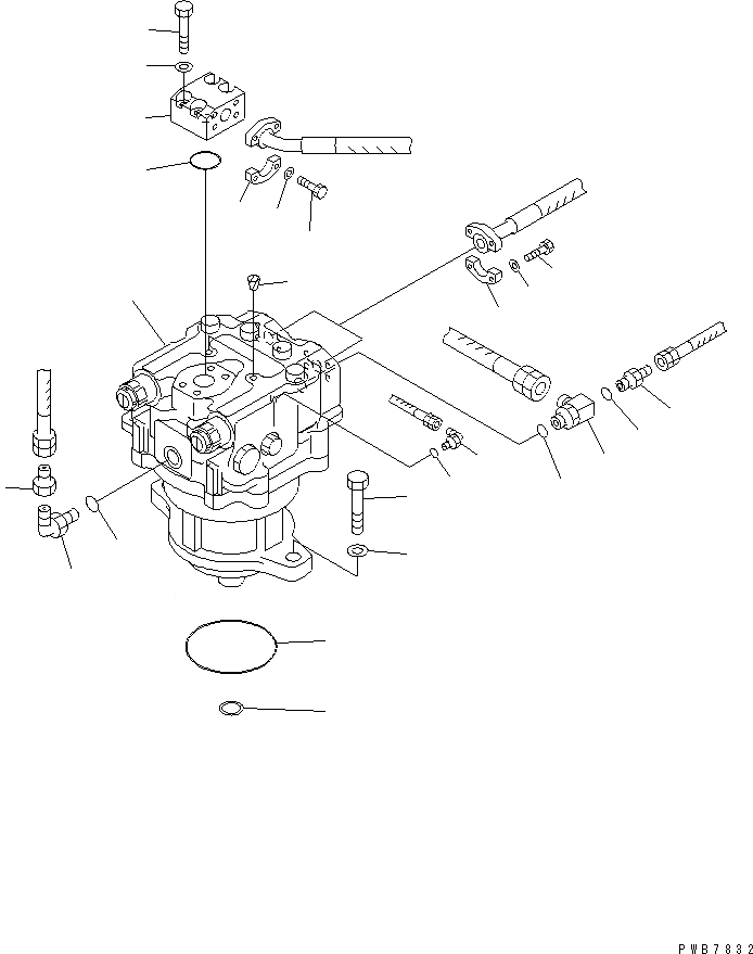
1
2
3
4
5
5A
6
7
8
9
10
11
12
13
14
15
16
17
18
19
20
21
22
23
24
FIT
1:1
100%

Артикул

Название

Примечание

Количество

1

706-77-01320

MOTOR ASS'Y,(SEE FIG. Y1640-01A0)

2

207-26-61190

RING

3

07000-15150

O-RING

4

01010-82470

BOLT

5

01643-32460

WASHER

5A

07049-01215

PLUG

6

21N-62-33421

BLOCK

7

07000-13048

O-RING

8

07372-21260

BOLT

9

01643-51232

WASHER

10

20Y-62-16450

ELBOW

11

20R-62-14330

NIPPLE

12

07002-12434

O-RING

13

07002-12034

O-RING

14

07235-10318

ELBOW

15

07002-12434

O-RING

16

104-62-27190

NIPPLE

17

07235-10311

ELBOW

18

07002-11423

O-RING

19

07371-31049

FLANGE

20

07372-21035

BOLT

21

01643-51032

WASHER

22

07371-31049

FLANGE

23

07372-21035

BOLT

24

01643-51032

WASHER

Выбрано товаров: 0