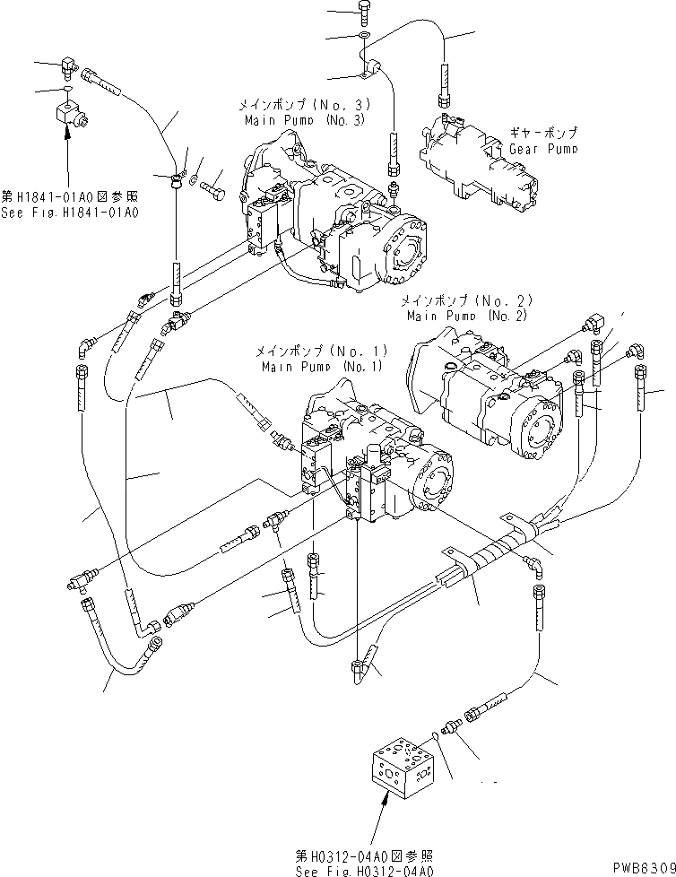
Запчасти Komatsu PC1100LC-6 O.L.S.S. ЛИНИИ (ОСНОВН. НАСОС) ГИДРАВЛИКА

Схема запчастей Komatsu PC1100LC-6 - O.L.S.S. ЛИНИИ (ОСНОВН. НАСОС) ГИДРАВЛИКА
1
2
3
4
5
6
7
8
9
10
11
12
13
14
15
15
16
16
17
17
18
18
19
19
20
20
21
22
23
24
FIT
1:1
100%

Артикул

Название

Примечание

Количество

1

22W-61-21450

ELBOW

2

07002-12034

O-RING

3

07102-20510

HOSE

4

04434-53212

CLIP

5

07095-20523

CUSHION

6

01010-81225

BOLT

7

01643-31232

WASHER

8

07102-20507

HOSE

9

20D-62-17820

HOSE, 175MM

10

21N-62-35680

HOSE

11

209-62-77940

HOSE, 600MM

12

07082-00304

HOSE

13

07230-20315

UNION

14

07002-12034

O-RING

15

20Y-62-22790

BAND, RED

16

20Y-62-22820

BAND, BLUE

17

201-62-66770

HOSE, 1100MM

18

209-62-77650

HOSE

19

21N-62-35670

HOSE, 900MM

20

113-899-7950

CLIP

21

209-62-77650

HOSE

22

04434-51512

CLIP

23

01010-81225

BOLT

24

01643-31232

WASHER

Выбрано товаров: 24