Качественные детали и логистика
Оригинальные и аналоговые запчасти с доставкой по России, Казахстану и Беларуси
©2022 PartSell ООО "Система" ИНН 2463123282 ОГРН 1212400004838
Центральный офис: г. Красноярск, Академика Киренского, д.87, пом.4
Телефон: 8 (800) 777-65-74 Email: zakaz@partsell.ru
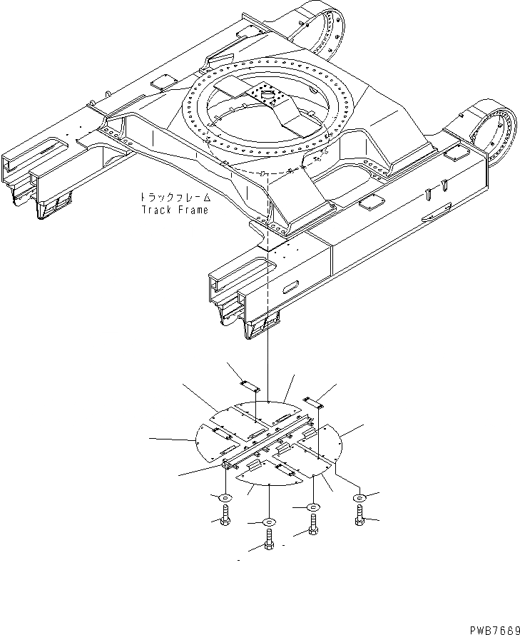
ГУСЕНИЧНАЯ РАМА НИЖН. КРЫШКА
№
Артикул
Название
Примечание
Количество
1
21N-30-31411
COVER
21N-30-31410
2
21N-30-31421
21N-30-31420
3
21N-30-31431
21N-30-31430
4
21N-30-31441
21N-30-31440
5
21N-30-31450
PLATE
6
01010-81435
BOLT
7
195-71-32220
WASHER
Выбрано товаров: 0