Запчасти Komatsu PC1100LC-6 ГИДРОЛИНИЯ ХОДАCOVER ХОДОВАЯ

Схема запчастей Komatsu PC1100LC-6 - ГИДРОЛИНИЯ ХОДАCOVER ХОДОВАЯ
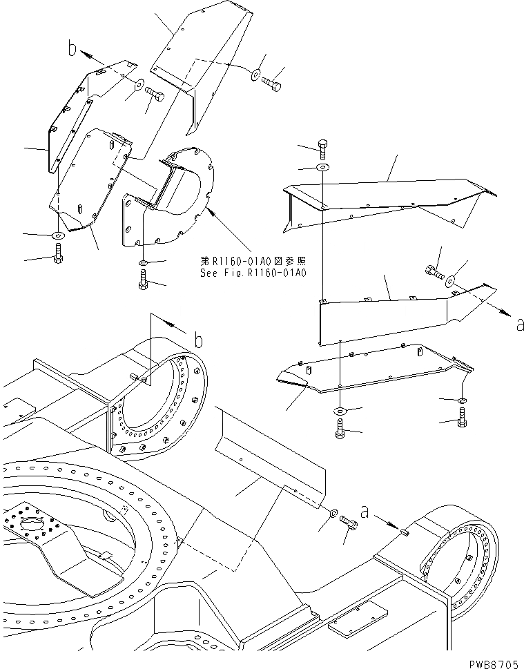
1
2
3
4
5
6
7
7
8
9
10
11
12
13
14
15
16
17
17
18
19
20
21
22
23
FIT
1:1
100%

Артикул

Название

Примечание

Количество

1

21N-30-32560

BRACKET

2

01010-81640

BOLT

3

01643-31645

WASHER

4

21N-30-32580

COVER

5

01010-81240

BOLT

6

01010-81230

BOLT

7

175-54-34170

WASHER

8

21N-30-32610

COVER

9

01010-81230

BOLT

10

175-54-34170

WASHER

11

21N-30-32570

BRACKET

12

01010-81640

BOLT

13

01643-31645

WASHER

14

21N-30-32590

COVER

15

01010-81240

BOLT

16

01010-81230

BOLT

17

175-54-34170

WASHER

18

21N-30-32620

COVER

19

01010-81230

BOLT

20

175-54-34170

WASHER

21

21N-30-31391

COVER

22

01010-81230

BOLT

23

01643-31232

WASHER

Выбрано товаров: 0