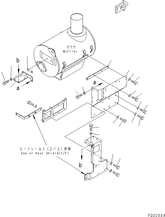
Запчасти Komatsu PC1100LC-6 ВЫПУСКН. (ТЕРМОЗАЩИТА)(№-) КОМПОНЕНТЫ ДВИГАТЕЛЯ

Схема запчастей Komatsu PC1100LC-6 - ВЫПУСКН. (ТЕРМОЗАЩИТА)(№-) КОМПОНЕНТЫ ДВИГАТЕЛЯ
1
2
3
3
4
4
5
6
7
7
7
7
7
7
8
9
10
11
12
13
14
15
FIT
1:1
100%

Артикул

Название

Примечание

Количество

1

6162-13-7312

COVER

2

6162-13-7450

PLATE

3

01010-E1020

BOLT

4

01010-E1030

BOLT

5

01010-E1055

BOLT

6

01010-E1025

BOLT

7

01643-31032

WASHER

8

6162-13-7251

BRACKET

9

01010-E1020

BOLT

10

01643-31032

WASHER

11

01010-E1025

BOLT

12

01643-31032

WASHER

13

01010-E1020

BOLT

14

01643-31032

WASHER

15

6162-13-7260

PLATE

Выбрано товаров: 15