Запчасти Komatsu PC1100LC-6 ОСНОВН. НАСОС (/) (N. НАСОС) ОСНОВН. КОМПОНЕНТЫ И РЕМКОМПЛЕКТЫ

Схема запчастей Komatsu PC1100LC-6 - ОСНОВН. НАСОС (/) (N. НАСОС) ОСНОВН. КОМПОНЕНТЫ И РЕМКОМПЛЕКТЫ
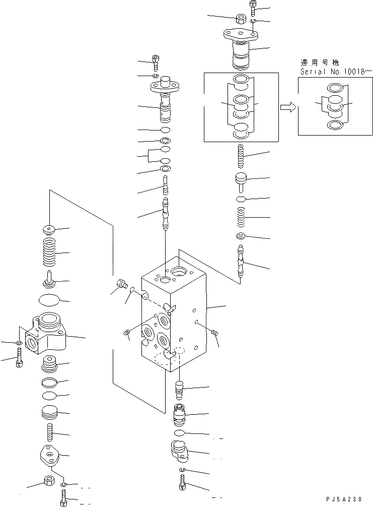
1
2
2
3
4
5
6
7
8
8
9
10
11
12
13
14
15
16
17
18
19
20
21
22
23
24
25
26
27
28
28
29
29
29
30
31
32
33
33
34
34
35
35
36
36
37
37
38
39
40
FIT
1:1
100%

Артикул

Название

Примечание

Количество

|$2

708-2H-00322

PUMP ASS'Y

|$3

708-2H-00321

PUMP ASS'Y

|$5

708-27-09121

SERVO VALVE ASS'Y,FRONT

|$6

708-27-09120

SERVO VALVE ASS'Y,FRONT

|$7

708-27-09521

VALVE ASS'Y,CO + NC

|$8

708-27-09520

VALVE ASS'Y,CO + NC

|$9

708-23-00430

BODY ASS'Y

1

BODY

2

EXPANDER

3

708-25-17460

PLUG

4

708-25-17430

SCREW

5

07000-B2010

O-RING

5

07000-02010

O-RING

6

708-25-17131

COVER

7

01580-10806

NUT

8

708-25-17141

SPOOL

9

708-25-17150

SLEEVE

10

708-25-17160

PISTON

11

708-25-17170

COVER

12

07000-B2014

O-RING

12

07000-02014

O-RING

13

708-25-17180

SEAT

14

708-25-17690

SPRING

15

708-25-17451

SLEEVE

16

708-25-17220

PISTON

17

708-25-17370

SEAT

18

708-25-17250

SPRING

19

708-25-17470

SEAT

20

708-25-17480

PISTON

21

708-25-17380

PLUG

22

07000-B3028

O-RING

22

07000-03028

O-RING

23

07000-B2021

O-RING

23

07000-02021

O-RING

24

708-23-17240

COVER

25

708-23-17290

COVER

26

708-25-15340

SCREW

27

706-75-40310

BOLT

28

708-25-15320

BOLT

29

01602-20619

WASHER

30

01580-10806

NUT

31

07000-B2012

O-RING

31

07000-02012

O-RING

32

07000-B2012

O-RING

32

07000-12012

O-RING

33

07001-02012

RING,BACK-UP

34

708-25-15320

BOLT

35

01602-20619

WASHER

36

07000-B2021

O-RING

36

07000-12021

O-RING

37

07001-02021

RING,BACK-UP

37

07001-02021

RING,BACK-UP

38

07040-11007

PLUG

39

07002-61023

O-RING

39

07002-11023

O-RING

40

708-25-17390

PLATE

Выбрано товаров: 56