Качественные детали и логистика
Оригинальные и аналоговые запчасти с доставкой по России, Казахстану и Беларуси
©2022 PartSell ООО "Система" ИНН 2463123282 ОГРН 1212400004838
Центральный офис: г. Красноярск, Академика Киренского, д.87, пом.4
Телефон: 8 (800) 777-65-74 Email: zakaz@partsell.ru
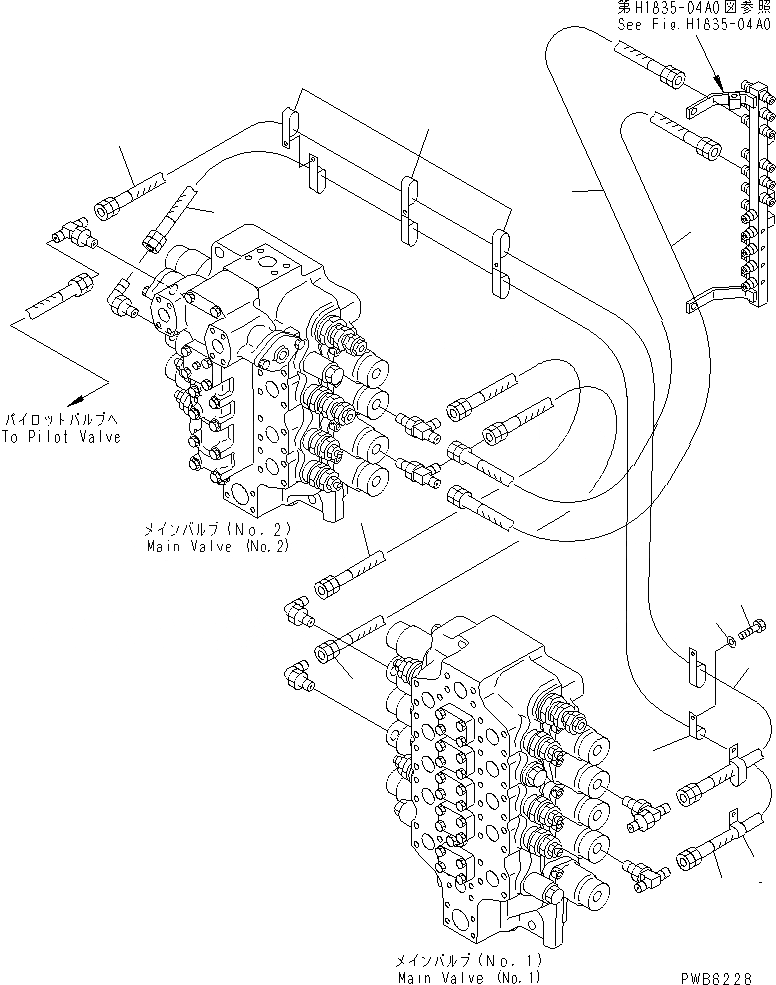
PPC СТРЕЛА И ЛИНИЯ КОВШАS
№
Артикул
Название
Примечание
Количество
1
209-62-77620
HOSE
2
203-62-65750
3
201-62-66750
HOSE¤ 400MM
4
5
7
04435-51512
CLIP
8
04434-51512
9
01010-81225
BOLT
10
01643-31232
WASHER
Выбрано товаров: 0