Запчасти Komatsu PC1100SE-6 ОСНОВН. НАСОС (7/) (N. НАСОС) ОСНОВН. КОМПОНЕНТЫ И РЕМКОМПЛЕКТЫ

Схема запчастей Komatsu PC1100SE-6 - ОСНОВН. НАСОС (7/) (N. НАСОС) ОСНОВН. КОМПОНЕНТЫ И РЕМКОМПЛЕКТЫ
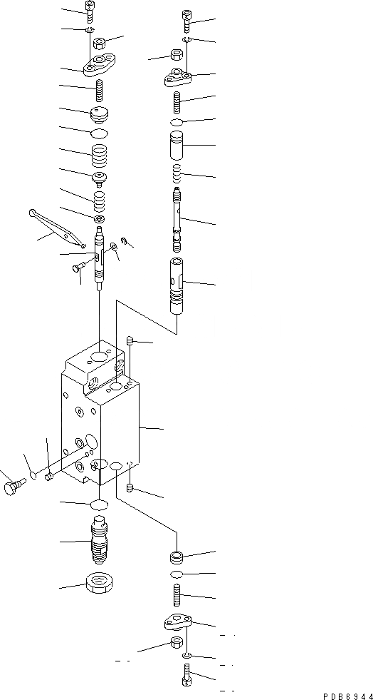
1
2
2
2
3
4
5
6
7
8
9
10
11
12
13
14
15
16
17
18
19
20
21
22
22
22
23
23
24
24
25
25
26
26
27
27
28
29
30
31
32
33
FIT
1:1
100%

Артикул

Название

Примечание

Количество

|1

708-2L-00532

PUMP ASS'Y

|1

708-2L-00531

PUMP ASS'Y

|1

708-25-09181

SERVO VALVE ASS'Y,FRONT

|1

708-25-09180

SERVO VALVE ASS'Y,FRONT

|1

708-25-09381

SERVO VALVE SUB A.,FRONT

|1

708-25-09380

SERVO VALVE SUB A.,FRONT

|1

708-25-00830

BODY ASS'Y

|1

708-23-00411

BODY ASS'Y

1

BODY,FRONT

|1

BODY,FRONT

2

EXPANDER

3

708-25-15120

PISTON

4

708-25-15130

SEAT

5

708-25-25130

SPRING

6

708-25-55250

SPRING

7

708-23-15120

SEAT

8

708-23-15160

PLUG

9

07000-B2018

O-RING

|9

07000-02018

O-RING

10

708-25-15150

COVER

11

01580-10806

NUT

12

708-25-15320

BOLT

13

01602-20619

WASHER

14

708-25-55670

PLUG

15

07002-62034

O-RING

|15

07002-02034

O-RING

16

07239-12009

NUT

17

708-25-15180

SLEEVE

18

708-25-15280

SPOOL

19

708-25-15310

SPRING

20

708-25-15330

SPACER

21

708-25-15430

PLUG

22

708-25-15340

SCREW

23

07000-B2012

O-RING

|23

07000-02012

O-RING

24

708-25-15250

COVER

25

01580-10806

NUT

26

708-25-15320

BOLT

27

01602-20619

WASHER

28

708-25-15260

PLUG

29

07002-60823

O-RING

|29

07002-00823

O-RING

30

708-25-15270

ARM

31

708-25-15360

PIN

32

708-25-15370

WASHER

33

708-25-15380

E-RING

Выбрано товаров: 0