Запчасти Komatsu PC1100SP-6 МЕХ-М ОТБОРА МОЩНОСТИ (СМАЗКА) (НАСОС - ФИЛЬТР.) (TROPICAL WEATHER СПЕЦ-Я.) КОМПОНЕНТЫ ДВИГАТЕЛЯ

Схема запчастей Komatsu PC1100SP-6 - МЕХ-М ОТБОРА МОЩНОСТИ (СМАЗКА) (НАСОС - ФИЛЬТР.) (TROPICAL WEATHER СПЕЦ-Я.) КОМПОНЕНТЫ ДВИГАТЕЛЯ
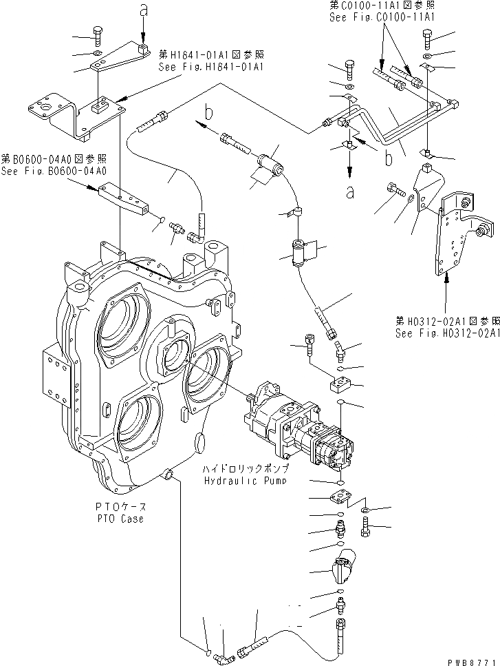
1
2
3
4
5
6
7
8
9
10
11
12
13
14
15
16
17
18
19
20
20
21
21
22
23
24
25
26
27
28
28
29
29
30
30
31
31
32
33
34
35
36
37
FIT
1:1
100%

Артикул

Название

Примечание

Количество

1

07236-10522

ELBOW

2

07002-22434

O-RING

3

07102-20506

HOSE

4

21N-38-12310

FLANGE

5

01010-81030

BOLT

6

01643-31032

WASHER

7

07000-E3035

O-RING

8

209-38-12460

FILTER ASS'Y

9

21N-38-12320

CONNECTOR

10

07002-22034

O-RING

11

07002-21823

O-RING

12

15R-62-18150

NIPPLE

13

07002-21823

O-RING

14

07000-E3030

O-RING

15

21N-62-31920

FLANGE

16

01252-70835

BOLT

17

07236-10315

ELBOW

18

07002-22034

O-RING

19

07102-20309

HOSE

20

21T-06-17820

COVER

21

08034-00519

BAND

22

04434-51912

CLIP

23

419-62-23760

HOSE, 440MM

24

07230-20315

UNION

25

07002-22034

O-RING

26

21N-62-33631

TUBE

27

21N-62-33621

TUBE

28

104-62-23180

CLIP

29

201-910-6370

CLAMP

30

01010-81245

BOLT

31

01643-31232

WASHER

32

21N-62-33660

BRACKET

33

01010-81230

BOLT

34

01643-31232

WASHER

35

21N-62-33680

BRACKET

36

01010-81230

BOLT

37

01643-31232

WASHER

Выбрано товаров: 37