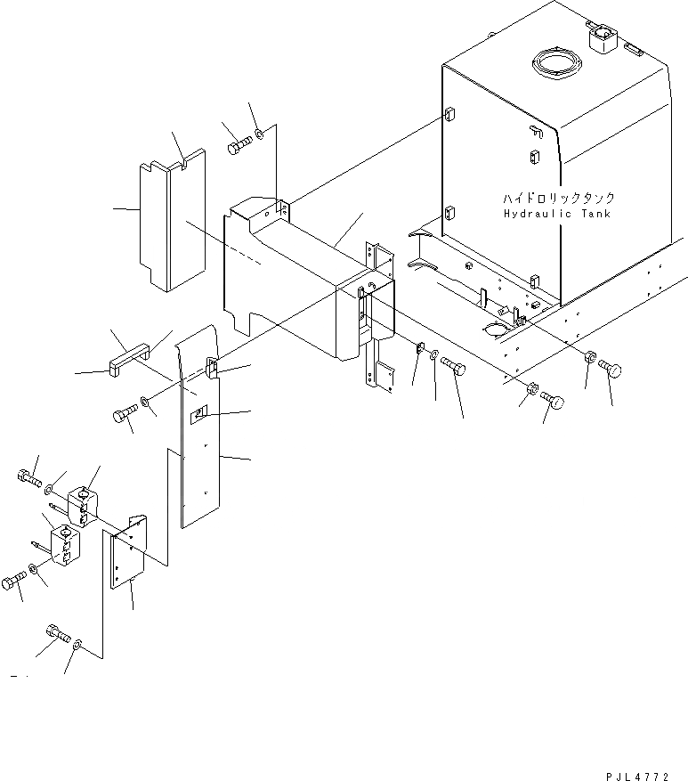
Запчасти Komatsu PC1100SP-6 ГИДР. БАК. (ПЕРЕГОРОДКА.)(№8-) ГИДРАВЛИКА

Схема запчастей Komatsu PC1100SP-6 - ГИДР. БАК. (ПЕРЕГОРОДКА.)(№8-) ГИДРАВЛИКА
1
1
2
2
3
3
4
5
6
7
8
9
10
11
12
13
14
15
16
17
18
19
20
21
22
23
24
25
26
FIT
1:1
100%

Артикул

Название

Примечание

Количество

1

21T-06-11350

WASHER TANK ASS'Y

2

01010-80616

BOLT

3

01643-30623

WASHER

4

21N-54-31311

COVER

5

198-54-41982

LOCK ASS'Y (WELDED)

6

21K-54-22460

HINGE (WELDED)

7

21N-54-32960

SHEET

8

21N-54-32430

SHEET

9

21N-54-32970

SHEET

10

01010-81230

BOLT

11

01643-31232

WASHER

12

21N-54-31321

CASE

13

21N-54-32341

SHEET

14

21N-54-32351

SHEET

15

209-54-63260

BRACKET

16

01010-81230

BOLT

17

01643-31232

WASHER

18

20Y-54-11611

STOPPER

19

01580-11008

NUT

20

21N-54-31331

BRACKET

21

01010-81225

BOLT

22

01643-31232

WASHER

23

01010-81230

BOLT

24

01643-31232

WASHER

25

20Y-54-11611

STOPPER

26

01580-11008

NUT

Выбрано товаров: 26