Запчасти Komatsu PC1100SP-6 NO. ОСНОВН. НАСОС (СОЕДИНИТ. ЧАСТИ) (TROPICAL WEATHER СПЕЦ-Я.) ГИДРАВЛИКА

Схема запчастей Komatsu PC1100SP-6 - NO. ОСНОВН. НАСОС (СОЕДИНИТ. ЧАСТИ) (TROPICAL WEATHER СПЕЦ-Я.) ГИДРАВЛИКА
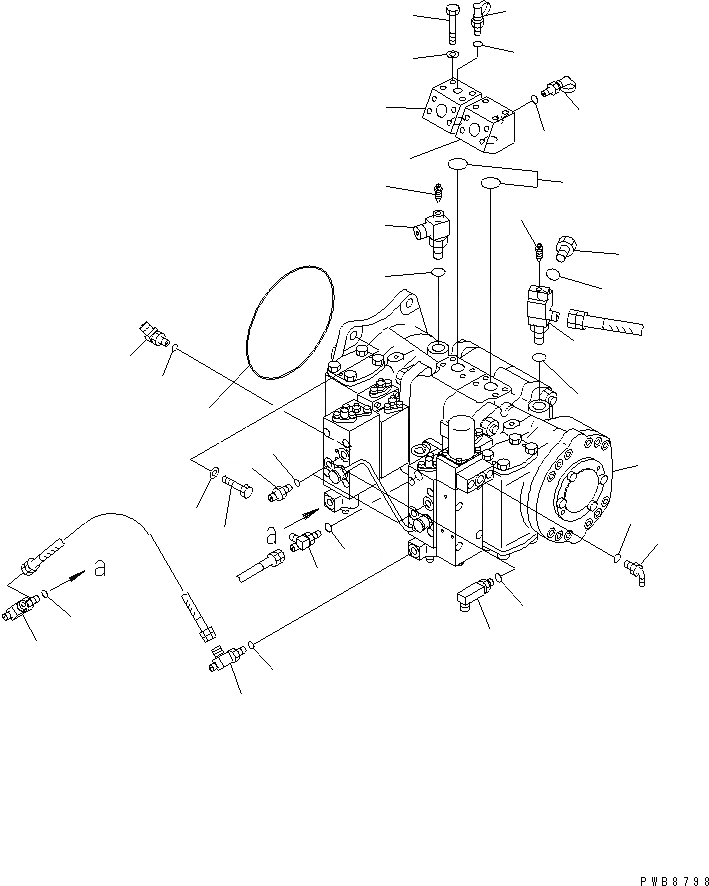
1
2
3
4
5
6
7
8
9
10
10
11
11
12
13
14
15
16
17
17
18
19
20
21
22
23
24
25
25
26
26
27
28
29
30
FIT
1:1
100%

Артикул

Название

Примечание

Количество

1

708-2L-00532

PUMP ASS'Y,(SEE FIG. Y1601-01A0)

2

07000-E5230

O-RING

3

01010-81650

BOLT

4

01643-31645

WASHER

5

21N-62-31641

BLOCK

6

21N-62-31540

BLOCK

7

07000-B3035

O-RING

8

01010-81090

BOLT

9

01643-31032

WASHER

10

209-62-61310

NIPPLE ASS'Y

11

209-62-61330

O-RING

12

20Y-62-17710

ELBOW

13

07002-12434

O-RING

14

20B-27-11210

BLEEDER

15

21N-62-33710

ELBOW

16

07040-12412

PLUG

17

07002-12434

O-RING

18

20B-27-11210

BLEEDER

19

20Y-970-1741

ELBOW

20

07002-11423

O-RING

21

205-62-55270

NIPPLE

22

07002-11423

O-RING

23

20Y-62-11851

TEE

24

07002-12034

O-RING

25

21T-62-29960

TEE

26

07002-11423

O-RING

27

07235-10311

ELBOW

28

07002-21423

O-RING

29

209-62-67260

ELBOW

30

07002-11023

O-RING

Выбрано товаров: 30