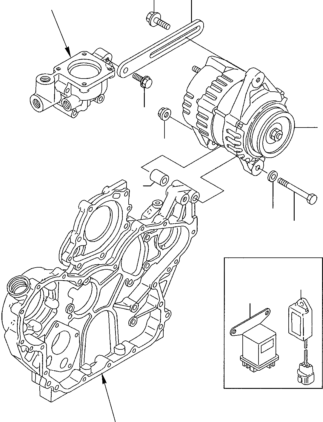
Запчасти Komatsu PC110R-1 ГЕНЕРАТОР ДВИГАТЕЛЬ

Схема запчастей Komatsu PC110R-1 - ГЕНЕРАТОР ДВИГАТЕЛЬ
6
5
A
B
7
11
4
1
2
3
9
10
8
FIT
1:1
100%

Артикул

Название

Примечание

Количество

\0

226-01-11000

MOTOR, ASSY.

1

YM123900-77340

SPACER

2

YM22137-100000

WASHER

3

YM26116-101202

BOLT

4

YM26366-100002

NUT

5

YM123900-77330

ADJUSTER, BELT

6

YM119810-77340

SCREW

7

YM26014-080252

BOLT

8

YM129100-77910

RELAY

9

YM119632-77920

TIMER 1''

10

YM128300-77920

TIMER 15''

11

YM123900-77210

GENERATOR 12V-60A

Выбрано товаров: 12