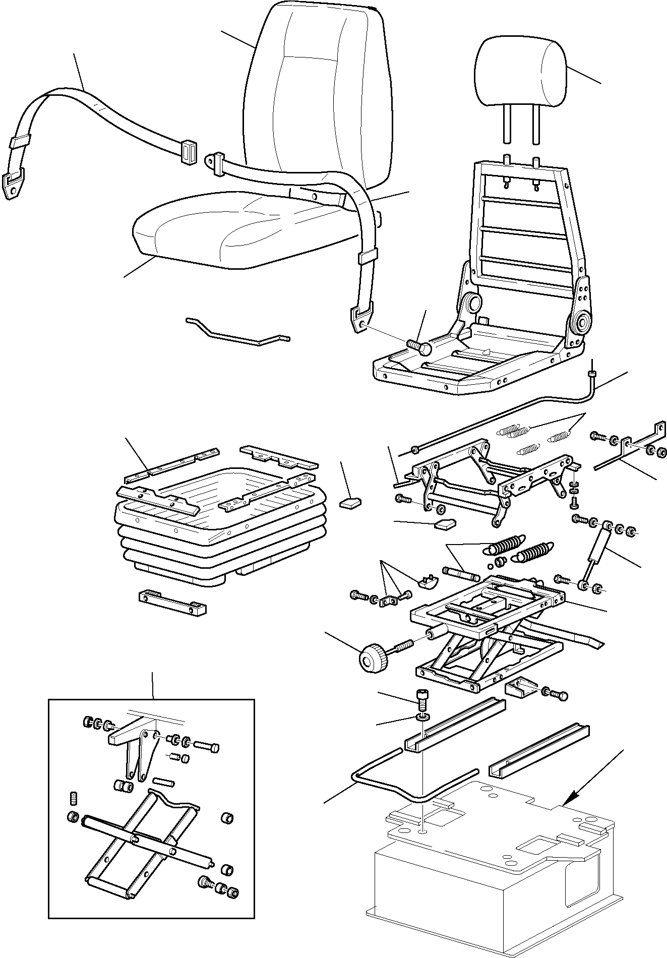
Запчасти Komatsu PC110R-1 СИДЕНЬЕ ОПЕРАТОРА ЧАСТИ КОРПУСА И КАБИНА

Схема запчастей Komatsu PC110R-1 - СИДЕНЬЕ ОПЕРАТОРА ЧАСТИ КОРПУСА И КАБИНА
A
2
18
1
18
3
19
5
6
4
8
9
7
9
10
11
12
13
10
15
16
17
14
FIT
1:1
100%

Артикул

Название

Примечание

Количество

\0

21D-57-11101

OPERATOR'S SEAT, ASSY.

1

21D-57-11270

REST HEAD

2

21D-57-11110

SEAT BACK, ASSY.

3

21D-57-11120

SEAT CUSHION

4

21D-57-11240

COVER KIT, SUSPENSION

5

21D-57-11130

KIT, CABLE

6

21D-57-11140

KIT, SPRING

7

21D-57-11150

KIT, CLOSURE

8

21D-57-11230

KIT, ADJUSTER

9

21D-57-11220

KIT, HANDLE

10

21D-57-11190

KIT, ADJUSTER SUSPENSION

11

21D-57-11210

KIT, STOPPER

12

21D-57-11160

DAMPER

13

21D-57-11170

SUSPENSION, ASSY.

14

21D-57-11180

KIT, DRIVING SET

15

21D-57-11260

KIT, BEARING

16

01252-40814

SCREW

17

21D-09-74460

WASHER

18

21D-57-11350

SEAT BELT

19

01252-41680

BOLT

Выбрано товаров: 20