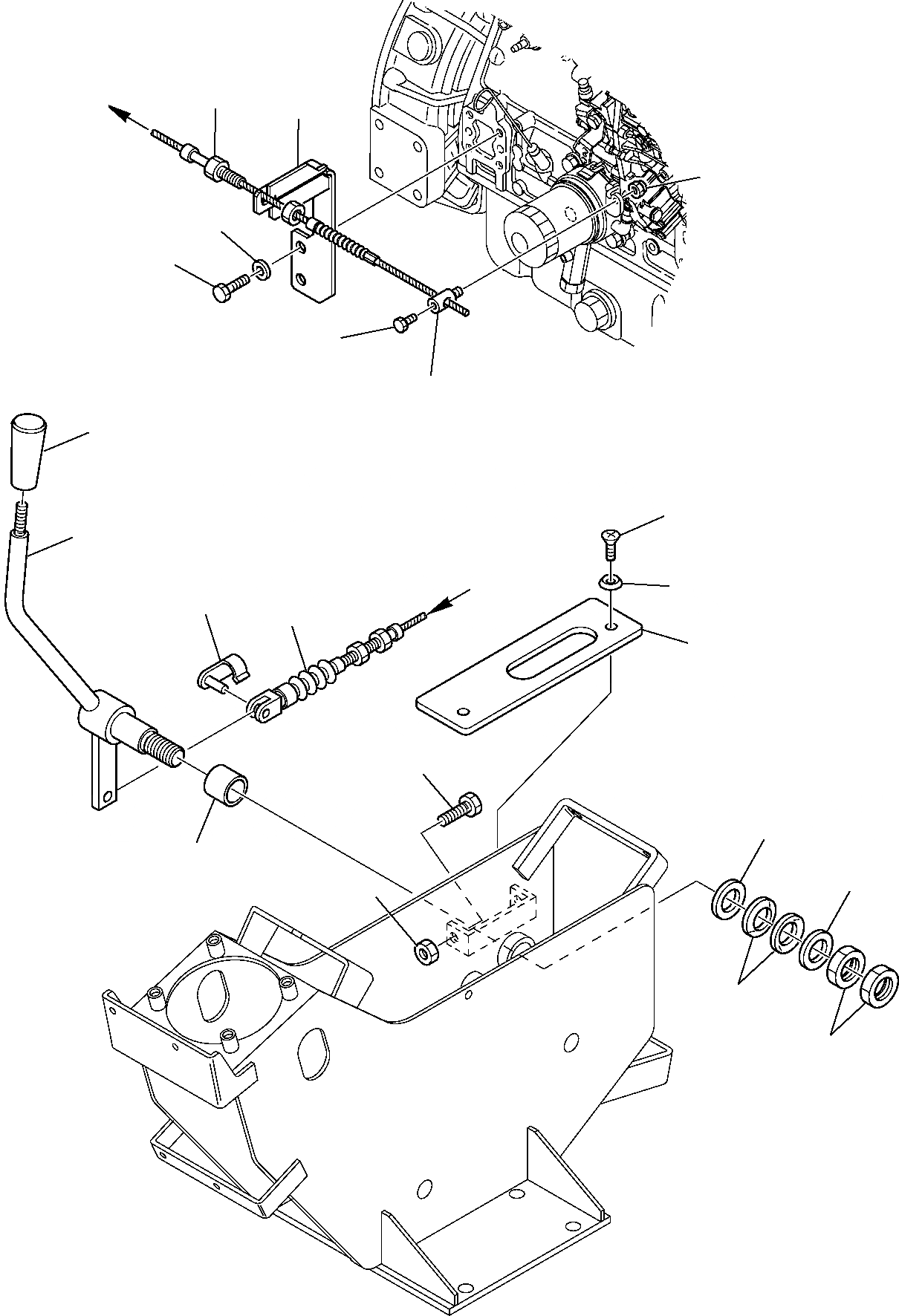
Запчасти Komatsu PC110R-1 РЫЧАГ УПРАВЛ-Я ПОДАЧЕЙ ТОПЛИВА СИСТЕМА УПРАВЛЕНИЯ И ОСНОВНАЯ РАМА

Схема запчастей Komatsu PC110R-1 - РЫЧАГ УПРАВЛ-Я ПОДАЧЕЙ ТОПЛИВА СИСТЕМА УПРАВЛЕНИЯ И ОСНОВНАЯ РАМА
a
a
9
11
15
13
12
16
14
2
18
1
19
10
9
17
7
4
3
4
8
5
6
FIT
1:1
100%

Артикул

Название

Примечание

Количество

1

21D-43-11150

FUEL LEVER

2

21D-09-86440

KNOB

3

21D-09-87110

BUSHING

4

01643-31645

WASHER

5

21D-09-86530

SPRING

6

21D-09-21760

NUT

7

01010-50825

BOLT

8

21D-09-21720

NUT

9

21D-43-11161

CABLE

10

21D-09-86690

PIN

11

226-43-11111

SUPPORT

12

01010-51020

BOLT

13

01643-31032

WASHER

14

22E-43-11120

CLAMP

15

21D-09-24160

NUT, STOP

16

21D-09-11210

BOLT

17

22E-54-11111

CASE

18

21D-09-15710

SCREW

19

21D-54-11460

WASHER

Выбрано товаров: 0