Запчасти Komatsu PC110R-1 КОНДИЦ. СИСТЕМА (/7) ЧАСТИ КОРПУСА И КАБИНА

Схема запчастей Komatsu PC110R-1 - КОНДИЦ. СИСТЕМА (/7) ЧАСТИ КОРПУСА И КАБИНА
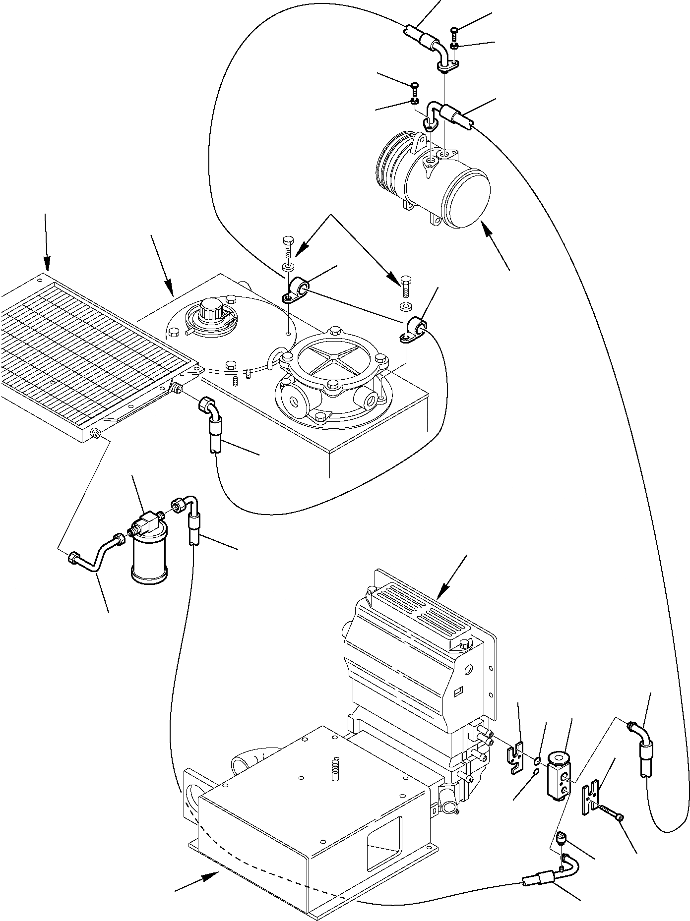
14
12
13
11
12
13
15
15
14
3
2
1
5
6
8
11
9
10
4
3
7
A
A
B
C
D
E
FIT
1:1
100%

Артикул

Название

Примечание

Количество

\0

226-979-1001

KIT, AIR CONDITIONING

\0

22E-979-1500

CONDENSOR, ASSY.

1

22E-979-1270

PIPE

2

22E-979-1550

FILTER

3

22E-979-1280

HOSE

4

22E-979-1290

PRESSURE SWITCH

5

22E-979-1220

EXPANSION VALVE

6

700-22-R2951

O-RING

7

22E-979-1260

O-RING

8

22E-979-1230

FLANGE

9

22E-979-1240

FLANGE

10

01252-40535

SCREW

11

22E-979-1310

HOSE

12

01010-50616

BOLT

13

01643-30623

WASHER

14

226-979-1150

HOSE

15

21D-09-81700

COLLAR

Выбрано товаров: 17