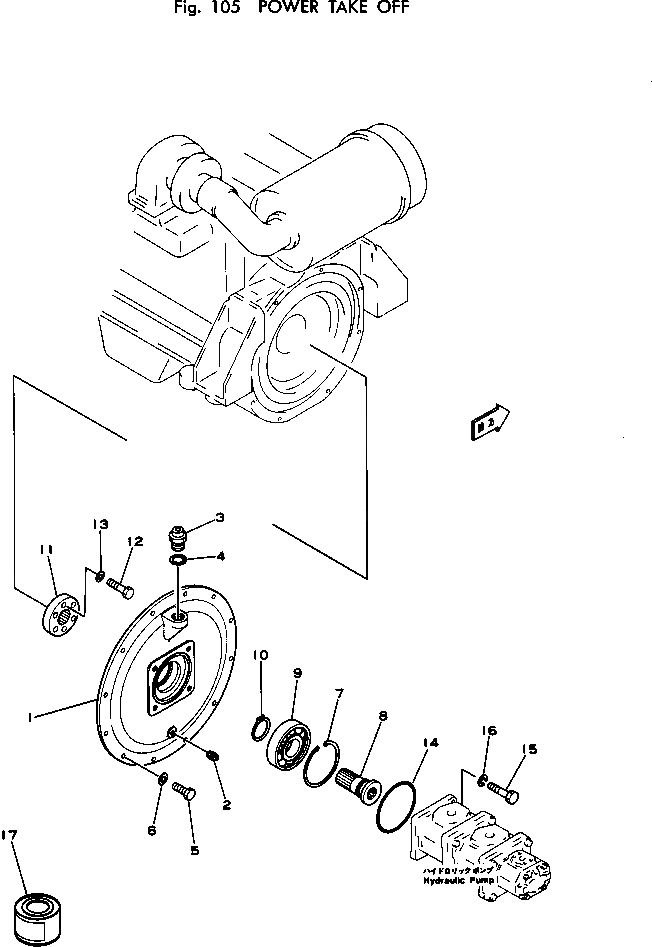
Запчасти Komatsu PC120-1 МЕХ-М ОТБОРА МОЩНОСТИ КОМПОНЕНТЫ ДВИГАТЕЛЯ И ЭЛЕКТРИКА

Схема запчастей Komatsu PC120-1 - МЕХ-М ОТБОРА МОЩНОСТИ КОМПОНЕНТЫ ДВИГАТЕЛЯ И ЭЛЕКТРИКА
FIT
1:1
100%

Артикул

Название

Примечание

Количество

1

203-01-31112

CASE

2

07042-30108

PLUG

2

07042-20108

PLUG

3

07030-03034

BREATHER

4

07005-03016

GASKET

5

01010-31030

BOLT

6

01643-31032

WASHER

7

04065-08025

RING,SNAP

8

203-01-31120

SHAFT

9

06005-06010

BEARING,BALL

10

04064-05020

RING,SNAP

11

202-01-11142

COUPLING

12

01050-31455

BOLT

13

6110-11-1620

WASHER

14

07000-02135

O-RING

15

01010-31240

BOLT

16

01643-31232

WASHER

17

208-00-11480

GASKET,LIQUID

Выбрано товаров: 18