Запчасти Komatsu PC120-1 ГИДР. НАСОС. (/) ГИДРАВЛИКА

Схема запчастей Komatsu PC120-1 - ГИДР. НАСОС. (/) ГИДРАВЛИКА
FIT
1:1
100%

Артикул

Название

Примечание

Количество

|$0

705-56-34000

PUMP ASS'Y

|$1

705-16-28530

PUMP ASS'Y

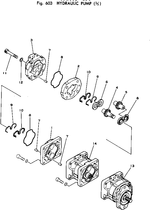
1

BRACKET

2

CASE,GEAR

3

COVER ASS'Y

4

GEAR,DRIVE

5

GEAR,DRIVEN

6

PLATE,SIDE

7

PIN

8

O-RING

9

RING,BACK-UP

10

SEAL

11

BOLT

12

WASHER,SPRING

13

705-22-35210

PUMP ASS'Y

14

705-14-35330

PUMP ASS'Y

Выбрано товаров: 16