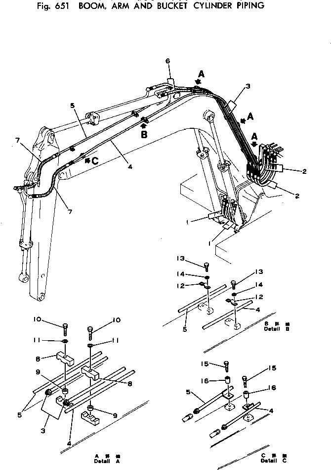
Запчасти Komatsu PC120-1 СТРЕЛА¤ РУКОЯТЬ И ЦИЛИНДР КОВША ТРУБЫ ГИДРАВЛИКА

Схема запчастей Komatsu PC120-1 - СТРЕЛА¤ РУКОЯТЬ И ЦИЛИНДР КОВША ТРУБЫ ГИДРАВЛИКА
FIT
1:1
100%

Артикул

Название

Примечание

Количество

1

07123-00606

HOSE

2

07123-00608

HOSE

3

203-62-37131

TUBE

4

203-62-37111

TUBE

5

203-62-37121

TUBE

6

07123-00608

HOSE

7

07123-20610

HOSE

8

202-62-13140

CLAMP

9

203-62-21720

SPACER

10

01010-31265

BOLT

11

01643-31232

WASHER

12

07282-02793

CLAMP

13

01010-31025

BOLT

14

01643-31032

WASHER

15

01010-31245

BOLT

16

195-33-11220

SPACER

Выбрано товаров: 16