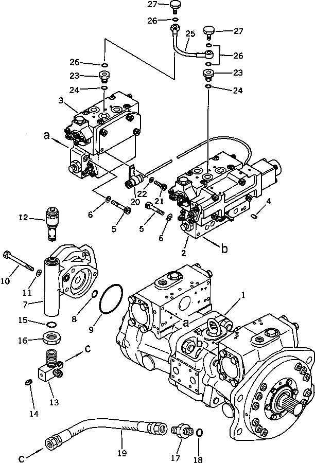
Запчасти Komatsu PC120-3 ГИДР. НАСОС. БЛОК УПРАВЛ-Е РАБОЧИМ ОБОРУДОВАНИЕМ
№
Артикул
Название
Примечание
Количество
|$0
708-23-01012
PUMP ASS'Y (HPV55+55)
|$1
708-23-01011
PUMP ASS'Y (HPV55+55)
|$2
708-23-01010
PUMP ASS'Y (HPV55+55)
|$3
708-23-10101
PUMP ASS'Y (HPV55+55)
1
708-23-11101
PUMP SUB ASS'Y
1
708-23-11100
PUMP SUB ASS'Y
2
708-23-07111
SERVO VALVE ASS'Y,FRONT
2
708-23-07110
SERVO VALVE ASS'Y,FRONT
2
708-23-15100
SERVO VALVE ASS'Y,FRONT
3
708-23-07211
SERVO VALVE ASS'Y,REAR
3
708-23-07210
SERVO VALVE ASS'Y,REAR
3
708-23-16100
SERVO VALVE ASS'Y,REAR
4
04020-00616
PIN,DOWEL
5
708-25-19130
BOLT
6
01602-00825
WASHER,SPRING
7
704-24-26401
PUMP ASS'Y
7
704-24-26400
PUMP ASS'Y
8
07000-02018
O-RING
9
07000-02075
O-RING
10
01010-51085
BOLT
11
01602-01030
WASHER,SPRING
12
708-23-14801
VALVE ASS'Y
12
708-23-14800
VALVE ASS'Y
13
708-23-19110
ELBOW
14
07042-30108
PLUG
15
07002-02434
O-RING
16
07239-12410
NUT
17
07230-10315
UNION
18
07002-02034
O-RING
19
07102-20303
HOSE
20
08036-21814
CLIP
21
01010-30812
BOLT
22
01643-30823
WASHER
23
706-46-53260
PLUG
24
07002-01423
O-RING
25
708-23-19120
TUBE
26
07000-02012
O-RING
27
706-46-53180
BOLT,EYE
Выбрано товаров: 38