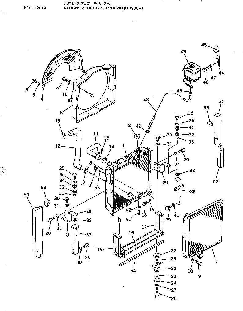
/ / / / / / РАДИАТОР И МАСЛООХЛАДИТЕЛЬ(№-)
Запчасти Komatsu PC120-3 РАДИАТОР И МАСЛООХЛАДИТЕЛЬ(№-) КОМПОНЕНТЫ ДВИГАТЕЛЯ И ЭЛЕКТРИКА
|$0
203-03-00051
RADIATOR ASS'Y
1
203-03-41112
CORE ASS'Y
2
203-03-41280
CAP
3
205-03-62660
PLUG
3A
07000-01007
O-RING
4
203-03-41141
GUARD
5
01010-51020
BOLT
6
01643-31032
WASHER
7
203-03-41380
OIL COOLER ASS'Y
8
203-03-41132
SHROUD
9
01010-50816
BOLT
10
01643-30823
WASHER
11
203-03-41212
HOSE
12
203-03-41224
HOSE
13
07281-00489
CLAMP
14
07281-00609
CLAMP
15
203-03-41391
BRACKET
16
203-03-41490
SHEET
17
203-03-41520
SHEET
18
01010-51020
BOLT
19
01643-31032
WASHER
20
01010-50820
BOLT
21
01602-20825
WASHER,SPRING
22
205-03-62680
CUSHION
23
205-03-71330
COLLAR
24
205-03-71340
PLATE
25
07000-03022
O-RING
26
01010-51270
BOLT
27
01643-31232
WASHER
28
203-03-41422
BRACKET
29
203-03-41432
BRACKET
30
01010-51020
BOLT
31
01643-31032
WASHER
32
203-62-42770
CUSHION
33
07000-03025
O-RING
34
203-03-41570
COLLAR
35
01010-51020
BOLT
36
01643-31232
WASHER
37
203-03-41351
BRACKET
38
203-03-41342
BRACKET
39
01010-51025
BOLT
40
01643-31032
WASHER
41
203-03-41411
HOSE
42
07280-01010
CLAMP
43
203-03-41580
TANK
43
203-03-41640
CAP
44
203-03-41620
BRACKET
45
203-03-41630
PLATE
46
01010-50616
BOLT
47
01643-30623
WASHER
48
203-03-41261
HOSE
49
07280-01210
CLAMP
50
203-03-41451
SHEET
51
203-03-41461
SHEET
52
203-03-41471
SHEET
53
203-03-41480
SHEET
54
203-03-41510
SHEET
Выбрано товаров: 0