Качественные детали и логистика
Оригинальные и аналоговые запчасти с доставкой по России, Казахстану и Беларуси
©2022 PartSell ООО "Система" ИНН 2463123282 ОГРН 1212400004838
Центральный офис: г. Красноярск, Академика Киренского, д.87, пом.4
Телефон: 8 (800) 777-65-74 Email: zakaz@partsell.ru
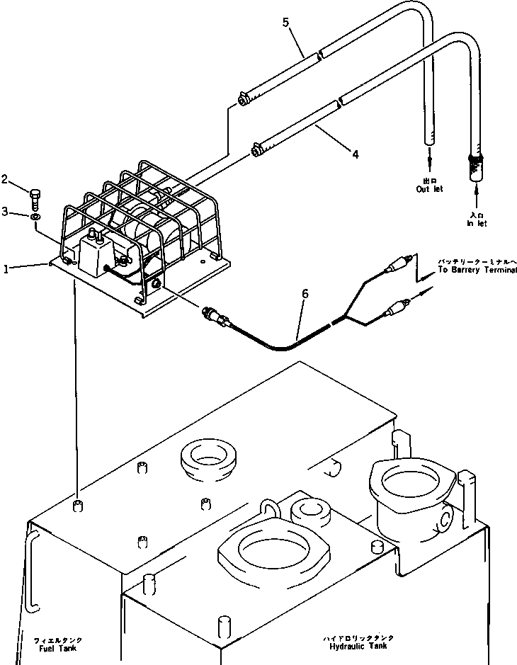
НАСОС АВТОМАТИЧ. ЗАПРАВКИ
№
Артикул
Название
Примечание
Количество
1
203-04-41120
PUMP ASS'Y
2
01010-51020
BOLT
3
01643-31032
WASHER
4
203-04-41140
HOSE ASS'Y
5
203-14-41150
HOSE
6
203-04-41130
CABLE
Выбрано товаров: 0