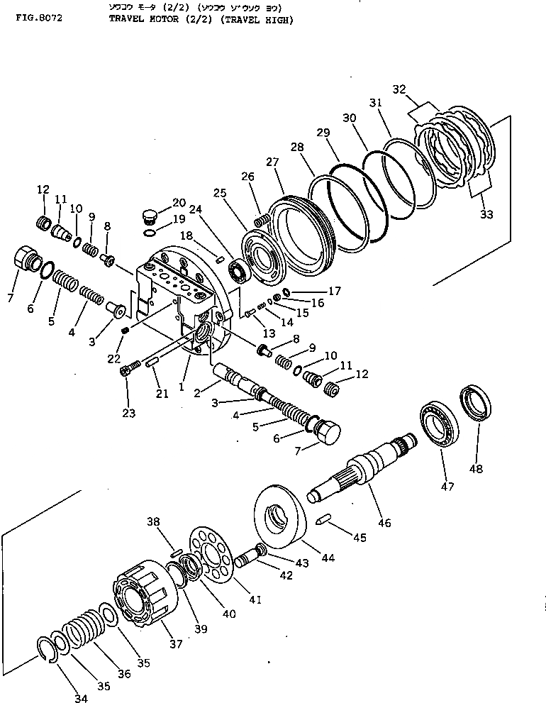
/ / / / / / МОТОР ХОДА (/) (ХОД ВЫС.)
Запчасти Komatsu PC120-3 МОТОР ХОДА (/) (ХОД ВЫС.) ОПЦИОННЫЕ КОМПОНЕНТЫ
|$0
203-60-00400
TRAVEL MOTOR ASS'Y
|$1
203-60-41900
TRAVEL MOTOR ASS'Y
|$3
TZ150A2101-0
FLANGE-SPOOL ASS'Y
1
FLANGE,REAR
2
SPOOL
3
TZ200A2052-0
STOPPER
4
TZ200A2056-0
SPRING
5
TZ100A2055-0
SPRING
6
07000-13032
O-RING (KIT)
7
TZ100A2051-0
PLUG
8
TZ150A2054-00
VALVE
9
TZ100A2057-1
SPRING
10
07000-12020
O-RING (KIT)
11
TZ150A2058-0
GUIDE
12
TZ150A2053-0
PLUG
13
TZ430F2019-0
VALVE
14
TZ100A2020-0
SPRING
15
07000-11009
O-RING (KIT)
16
TZ100A2018-0
SEAT,VALVE
17
TZ100A2022-0
RING
18
TZR0PP0050-12
PIN,DOWEL
19
07002-02034
O-RING (KIT)
20
TZ100A2021-0
PLUG
21
TZR0PP0100-28
PIN,DOWEL
22
TZR0HP00001-8
PLUG
23
01252-31440
BOLT
24
06000-06005
BEARING
25
TZ100A2009-00
PLATE,TIMING
26
TZ100A2013-0
SPRING
27
TZ231F2012-0
PISTON
28
TZRSUN2BG170
RING,BACK-UP (KIT)
29
07000-15170
O-RING (KIT)
30
07000-15145
O-RING (KIT)
31
TZ231F2023-00
RING,BACK-UP (KIT)
32
TZ100A2016-0
PLATE
33
TZ200A2015-0
PLATE
34
TZR01R005520
RING,SNAP
35
TZ150A2010-0
WASHER
36
TZ430F2028-0
SPRING
37
TZ150A2004-00
BLOCK,CYLINDER
38
TZR0P0030-30
PIN,DOWEL
39
TZ100A2011-0
WASHER
40
TZ100A2008-0
BALL,THRUST
41
TZ100A2007-0
PLATE,RETAINER
|$45
TZ430F2102-00
PISTON ASS'Y,PISTON
42
PISTON
43
SHOE
44
TZ200A2003-00
PLATE,SWASH
45
TZ150A2017-0
PIN
46
TZ150A2002-0
SHAFT
47
TZ150A2049-0
BEARING
48
TZ0487012
SEAL,OIL (KIT)
|$54
TZ150A9000-00
SEAL KIT
|$55
O-RING
|$56
07000-15260
O-RING
|$57
SEAL,FLOATING
|$58
07000-11006
O-RING
|$59
O-RING
|$60
07000-15270
O-RING
|$61
07000-13032
O-RING
|$62
07000-12020
O-RING
|$63
07000-11009
O-RING
|$64
07002-02034
O-RING
|$65
RING,BACK-UP
|$66
07000-15170
O-RING
|$67
07000-15145
O-RING
|$68
RING,BACK-UP
|$69
SEAL,OIL
Выбрано товаров: 0