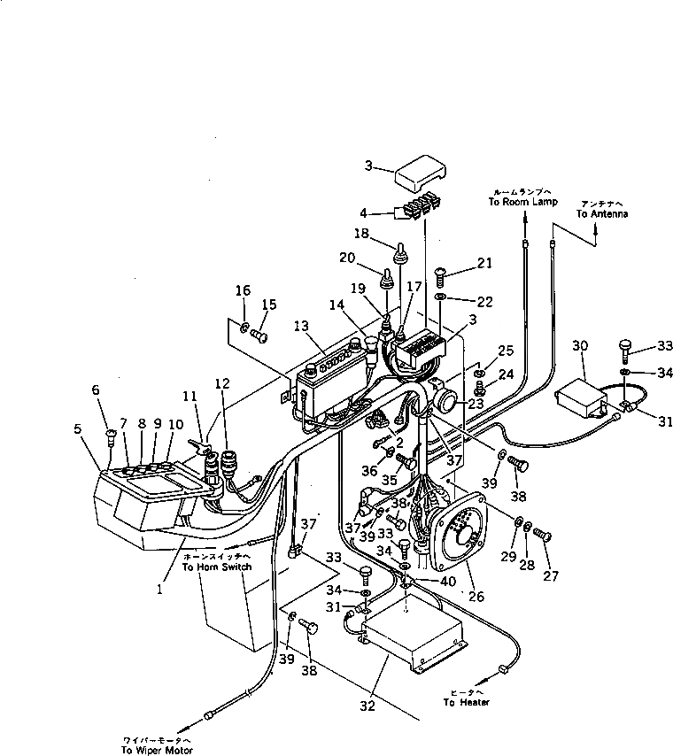
/ / / / / / ПАНЕЛЬ ПРИБОРОВ (ДЛЯ WRIST УПРАВЛ-Е) (АВТОМ. ЗАМЕДЛЕНИЕ ОБОРОТОВ) (С ПОВОРОТН. МЕХАНИЧ. ТОРМОЗ.)(№.-)
Запчасти Komatsu PC120-3 ПАНЕЛЬ ПРИБОРОВ (ДЛЯ WRIST УПРАВЛ-Е) (АВТОМ. ЗАМЕДЛЕНИЕ ОБОРОТОВ)(С ПОВОРОТН. МЕХАНИЧ. ТОРМОЗ.)(№.-) КОМПОНЕНТЫ ДВИГАТЕЛЯ И ЭЛЕКТРИКА
1
203-06-41677
WIRE ASS'Y
2
22W-06-13590
DIODE
3
205-06-71480
FUSE BOX
4
205-06-73180
FUSE, 15A
5
7831-72-2000
PANEL ASS'Y
6
01220-40616
SCREW
7
205-06-71311
SWITCH,MODE
8
205-06-71321
SWITCH,HEATER
9
205-06-71331
SWITCH,LAMP
10
205-06-71341
SWITCH,WIPER
11
201-06-21510
SWITCH,STARTING
12
203-06-41810
LAMP
12
08111-02430
BULB, 3W
13
203-06-42110
RADIO
13
20G-06-15111
RADIO
14
203-06-41930
LIGHTER
15
01220-40412
SCREW
16
01601-20410
WASHER,SPRING
17
203-06-41570
SWITCH,AUTO DECELERATION
18
203-06-41610
CAP
19
203-06-41570
SWITCH,PARKING BRAKE
20
203-06-41680
CAP
21
01220-40616
SCREW
22
01643-30623
WASHER
23
203-06-41920
BUZZER
24
01220-40612
SCREW
25
01602-20619
WASHER,SPRING
26
20G-06-15120
SPEAKER
27
01220-40420
SCREW
28
01601-20410
WASHER,SPRING
29
01641-20405
WASHER
30
203-06-41790
RESISTOR
31
08036-01814
CLIP
32
21K-06-21150
BOX
33
01010-50816
BOLT
34
01643-30823
WASHER
35
01010-50610
BOLT
36
01602-20619
WASHER,SPRING
37
08036-01814
CLIP
38
01010-51016
BOLT
39
01602-21030
WASHER,SPRING
40
08036-03014
CLIP
Выбрано товаров: 0