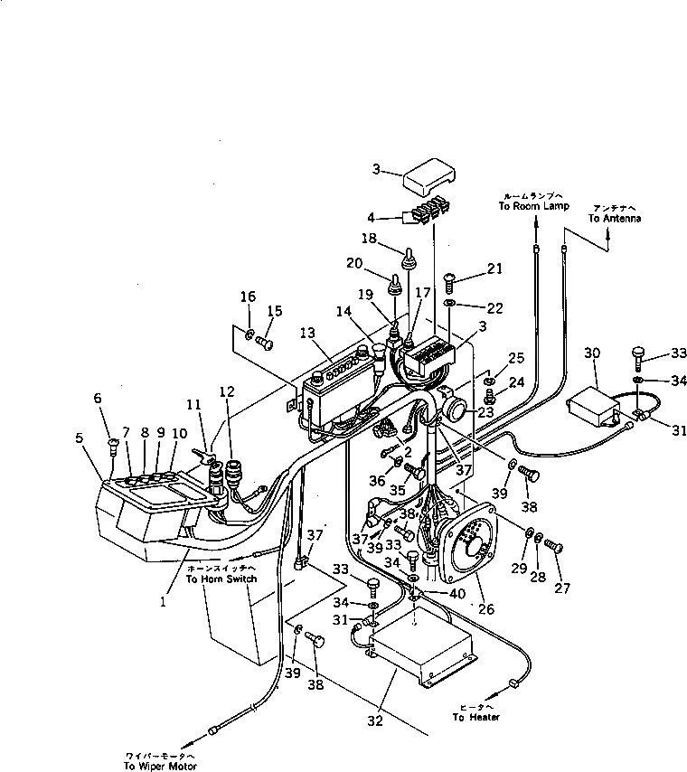
Запчасти Komatsu PC120-3 ПАНЕЛЬ ПРИБОРОВ (ДЛЯ WRIST УПРАВЛ-Е) (АВТОМ. ЗАМЕДЛЕНИЕ ОБОРОТОВ)(С ПОВОРОТН. МЕХАНИЧ. ТОРМОЗ.)(№.-) КОМПОНЕНТЫ ДВИГАТЕЛЯ И ЭЛЕКТРИКА

Схема запчастей Komatsu PC120-3 - ПАНЕЛЬ ПРИБОРОВ (ДЛЯ WRIST УПРАВЛ-Е) (АВТОМ. ЗАМЕДЛЕНИЕ ОБОРОТОВ)  (С ПОВОРОТН. МЕХАНИЧ. ТОРМОЗ.)(№.-) КОМПОНЕНТЫ ДВИГАТЕЛЯ И ЭЛЕКТРИКА
FIT
1:1
100%

Артикул

Название

Примечание

Количество

1

203-06-41677

WIRE ASS'Y

2

22W-06-13590

DIODE

3

205-06-71480

FUSE BOX

4

205-06-73180

FUSE, 15A

5

7831-72-2000

PANEL ASS'Y

6

01220-40616

SCREW

7

205-06-71311

SWITCH,MODE

8

205-06-71321

SWITCH,HEATER

9

205-06-71331

SWITCH,LAMP

10

205-06-71341

SWITCH,WIPER

11

201-06-21510

SWITCH,STARTING

12

203-06-41810

LAMP

12

08111-02430

BULB, 3W

13

203-06-42110

RADIO

13

20G-06-15111

RADIO

14

203-06-41930

LIGHTER

15

01220-40412

SCREW

16

01601-20410

WASHER,SPRING

17

203-06-41570

SWITCH,AUTO DECELERATION

18

203-06-41610

CAP

19

203-06-41570

SWITCH,PARKING BRAKE

20

203-06-41680

CAP

21

01220-40616

SCREW

22

01643-30623

WASHER

23

203-06-41920

BUZZER

24

01220-40612

SCREW

25

01602-20619

WASHER,SPRING

26

20G-06-15120

SPEAKER

27

01220-40420

SCREW

28

01601-20410

WASHER,SPRING

29

01641-20405

WASHER

30

203-06-41790

RESISTOR

31

08036-01814

CLIP

32

21K-06-21150

BOX

33

01010-50816

BOLT

34

01643-30823

WASHER

35

01010-50610

BOLT

36

01602-20619

WASHER,SPRING

37

08036-01814

CLIP

38

01010-51016

BOLT

39

01602-21030

WASHER,SPRING

40

08036-03014

CLIP

Выбрано товаров: 42