Запчасти Komatsu PC120-3 НАСОС АВТОМАТИЧ. ЗАПРАВКИ ОПЦИОННЫЕ КОМПОНЕНТЫ

Схема запчастей Komatsu PC120-3 - НАСОС АВТОМАТИЧ. ЗАПРАВКИ ОПЦИОННЫЕ КОМПОНЕНТЫ
FIT
1:1
100%

Артикул

Название

Примечание

Количество

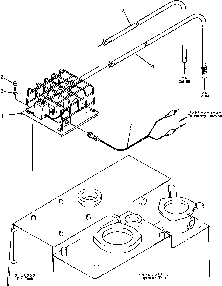
1

203-04-41120

PUMP ASS'Y

2

01010-51020

BOLT

3

01643-31032

WASHER

4

203-04-41140

HOSE ASS'Y

5

203-14-41150

HOSE

6

203-04-41130

CABLE

Выбрано товаров: 0