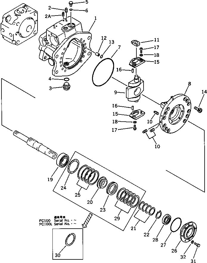
Запчасти Komatsu PC120-3 ПОВОРОТН. КРУГ ПОВОРОТН. И СИСТЕМА УПРАВЛЕНИЯ

Схема запчастей Komatsu PC120-3 - ПОВОРОТН. КРУГ ПОВОРОТН. И СИСТЕМА УПРАВЛЕНИЯ
FIT
1:1
100%

Артикул

Название

Примечание

Количество

1

203-25-41301

CIRCLE,SWING

|1

203-25-41300

CIRCLE,SWING

|1

203-25-41200

CIRCLE,SWING

1A

203-25-41360

SEAL,INNER

|1A

203-25-41310

SEAL,INNER

1B

203-25-41360

SEAL,OUTER

|1B

203-25-41320

SEAL,OUTER

2

07020-00000

FITTING,GREASE

|2

07020-00000

FITTING,GREASE

3

01010-51685

BOLT

4

04020-01638

PIN,DOWEL

Выбрано товаров: 11