Запчасти Komatsu PC120-3 ПАНЕЛЬ ПРИБОРОВ (БЕЗ АВТОМ. ЗАМЕДЛЕНИЕ ОБОРОТОВ) (БЕЗ ПОВОРОТН. МЕХАНИЧ. ТОРМОЗ.)(№8-99) КОМПОНЕНТЫ ДВИГАТЕЛЯ И ЭЛЕКТРИКА

Схема запчастей Komatsu PC120-3 - ПАНЕЛЬ ПРИБОРОВ (БЕЗ АВТОМ. ЗАМЕДЛЕНИЕ ОБОРОТОВ)           (БЕЗ ПОВОРОТН. МЕХАНИЧ. ТОРМОЗ.)(№8-99) КОМПОНЕНТЫ ДВИГАТЕЛЯ И ЭЛЕКТРИКА
FIT
1:1
100%

Артикул

Название

Примечание

Количество

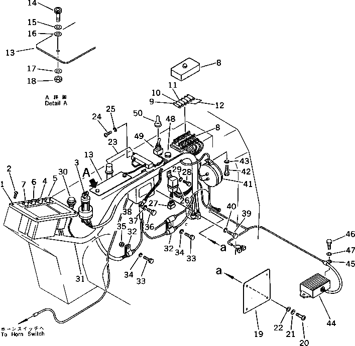
1

7861-21-1100

PANEL ASS'Y

2

01220-40616

SCREW

3

201-06-21510

SWITCH,STARTING

4

205-06-71331

SWITCH,LAMP

5

205-06-71341

SWITCH,WIPER

6

205-06-71321

SWITCH,HEATER

7

205-06-71311

SWITCH,MODE

8

203-06-41540

BOX,FUSE

9

08040-04000

FUSE, 40A

10

08040-03000

FUSE, 30A

11

08040-02000

FUSE, 20A

12

08040-01000

FUSE, 10A

13

203-06-31160

PLATE

14

205-06-62170

BOLT

15

205-06-62180

WASHER,SPRING

16

205-06-62190

WASHER

17

145-Z79-6630

WASHER

18

01580-10403

NUT

19

203-06-41840

PLATE

20

01220-40410

SCREW

21

01601-20410

WASHER,SPRING

22

01641-20405

WASHER

23

195-822-6151

LIGHTER

24

01220-40412

SCREW

25

01601-20410

WASHER,SPRING

26

22W-06-13450

RELAY ASS'Y

27

22W-06-13590

DIODE

28

01010-50612

BOLT

29

01602-20619

WASHER,SPRING

30

203-06-41810

LAMP

30

08111-02430

BULB, 3W

31

203-06-41514

WIRE ASS'Y

31

203-06-41513

WIRE ASS'Y

32

08036-01814

CLIP

33

01010-51016

BOLT

34

01602-21030

WASHER,SPRING

35

01571-01016

SEAT

36

01010-50610

BOLT

37

01602-20619

WASHER,SPRING

38

7861-72-3000

CONTROLLER ASS'Y

38

7861-01-3000

CONTROLLER ASS'Y

39

01010-50612

BOLT

40

01602-20619

WASHER,SPRING

41

175-06-51210

BUZZER

42

01220-40612

SCREW

43

01602-20619

WASHER,SPRING

44

203-06-41790

RESISTOR

45

08036-01814

CLIP

46

01010-50816

BOLT

47

01643-30823

WASHER

48

09415-00706

CAP

49

203-06-41570

SWITCH,SWING AND PARKING BRAKE

50

203-06-41680

CAP

Выбрано товаров: 0