Запчасти Komatsu PC120-3 ПАНЕЛЬ ПРИБОРОВ (REGULATION OF SWEDEN)(№.-) СПЕЦ. APPLICATION ЧАСТИ¤ МАРКИРОВКА¤ ИНСТРУМЕНТ И РЕМКОМПЛЕКТЫ

Схема запчастей Komatsu PC120-3 - ПАНЕЛЬ ПРИБОРОВ (REGULATION OF SWEDEN)(№.-) СПЕЦ. APPLICATION ЧАСТИ¤ МАРКИРОВКА¤ ИНСТРУМЕНТ И РЕМКОМПЛЕКТЫ
FIT
1:1
100%

Артикул

Название

Примечание

Количество

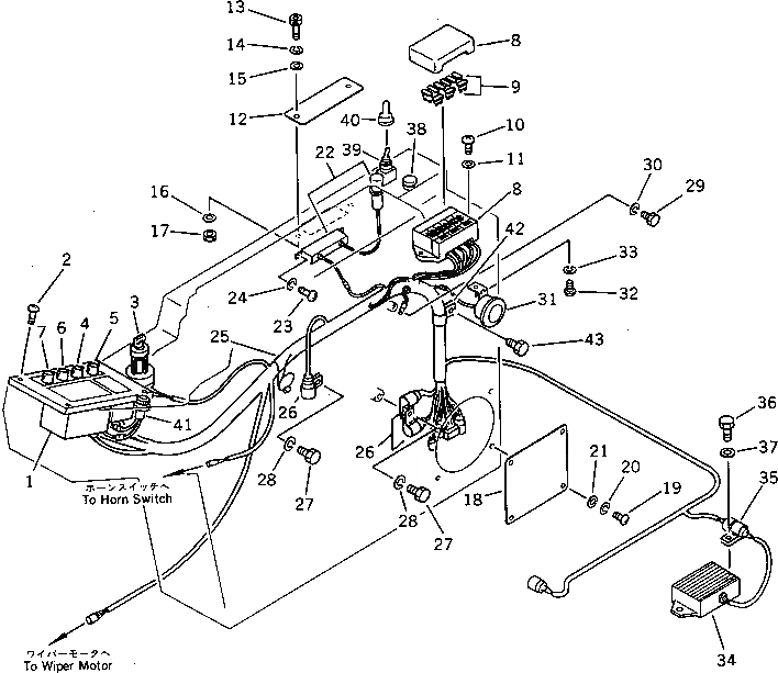
1

7831-77-2000

MONITOR PANEL ASS'Y

2

01220-40616

SCREW

3

201-06-21510

SWITCH,STARTING

4

205-06-71331

SWITCH,LAMP

5

205-06-71341

SWITCH,WIPER

6

205-06-71321

SWITCH,HEATER

7

205-06-71311

SWITCH,MODE

8

205-06-71480

FUSE BOX

9

205-06-73180

FUSE, 15A

10

01220-40616

SCREW

11

01643-30623

WASHER

12

203-06-31160

PLATE

13

205-06-62170

BOLT

14

205-06-62180

WASHER,SPRING

15

205-06-62190

WASHER

16

145-Z79-6630

WASHER

17

01580-10403

NUT

18

205-06-72181

COVER

18

203-06-41840

PLATE

19

01220-40410

SCREW

20

01601-20410

WASHER,SPRING

21

01641-20405

WASHER

22

203-06-41930

LIGHTER

23

01220-40412

SCREW

24

01601-20410

WASHER,SPRING

25

203-06-41733

RELAY

26

08036-01814

CLIP

27

01010-51016

BOLT

28

01602-21030

WASHER,SPRING

29

01010-50610

BOLT

30

01602-20619

WASHER,SPRING

31

203-06-41920

BUZZER

32

01220-40612

SCREW

33

01602-20619

WASHER,SPRING

34

203-06-41790

RESISTOR

35

08036-01814

CLIP

36

01010-50816

BOLT

37

01643-30823

WASHER

38

09415-00706

CAP

39

203-06-41570

SWITCH

40

203-06-41680

CAP

41

203-06-41810

LAMP

42

08036-01814

CLIP

43

01010-51016

BOLT

Выбрано товаров: 0