Запчасти Komatsu PC120-3 МАРКИРОВКА (ДЛЯ WRIST УПРАВЛ-Е) СПЕЦ. APPLICATION ЧАСТИ¤ МАРКИРОВКА¤ ИНСТРУМЕНТ И РЕМКОМПЛЕКТЫ

Схема запчастей Komatsu PC120-3 - МАРКИРОВКА (ДЛЯ WRIST УПРАВЛ-Е) СПЕЦ. APPLICATION ЧАСТИ¤ МАРКИРОВКА¤ ИНСТРУМЕНТ И РЕМКОМПЛЕКТЫ
FIT
1:1
100%

Артикул

Название

Примечание

Количество

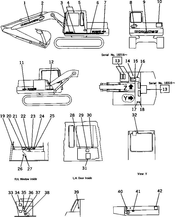
1

09690-41250

PLATE, MARK,KOMATSU

2

203-00-42130

PLATE, MARK

3

09690-50500

PLATE, MARK,KOMATSU

4

205-00-63770

PLATE

5

09602-01643

PLATE, NAME,(LIMITED SUPPLY)

5

01220-60408

SCREW

5

01601-20410

WASHER,SPRING

6

203-00-41140

PLATE, STRIPE,STRIPE

7

203-00-42111

PLATE,PC120SS

8

203-00-42130

PLATE, MARK

9

203-00-41131

PLATE, MARK,KOMATSU

10

09133-00100

PLATE, SAFETY,KEEP OUT OF TURNING AREA

11

203-00-42121

PLATE,PC120SS

12

09690-50500

PLATE, MARK,KOMATSU

13

154-54-23260

SEAT,NONSKID

14

09669-00002

PLATE, CAUTION,FUEL

15

09669-00003

PLATE, CAUTION,HYDRAULIC OIL TANK

16

09653-00100

PLATE, SAFETY,HYDRAULIC TANK CAP

17

09668-00100

PLATE, SAFETY,RADIATOR CAP

18

09650-01103

PLATE, INSTRUCTION,RADIATOR

19

205-00-52192

PLATE, CAUTION

20

205-00-71291

PLATE, OPERATING

20

205-00-71290

PLATE, OPERATING

21

205-00-71350

PLATE, OPERATING

22

205-00-63540

PLATE, CAUTION

23

205-00-63250

PLATE, CAUTION

24

09649-00101

PLATE, INSTRUCTION

25

203-00-31330

PLATE, OPERATING

26

09131-00100

PLATE, SAFETY,SWING LOCK LEVER

27

09685-00002

PLATE, OPERATING,SWING LOCK LEVER

28

203-54-41453

COVER

28

203-54-41452

COVER

28

203-54-41451

COVER

29

205-00-71310

PLATE, CAUTION

30

205-00-71340

PLATE, OPERATING,DOOR LOCK

31

203-00-41151

CHART, OIL

31

203-00-41150

CHART, OIL

32

205-00-63230

PLATE, CAUTION,INSPECTION AND MAINTENANCE

33

202-00-41160

PLATE

34

203-00-31320

PLATE, CAUTION

35

09651-00100

PLATE, SAFETY,BEFORE OPERATING

36

09173-00100

PLATE, SAFETY

37

09667-00100

PLATE, SAFETY

38

203-00-41180

PLATE, OPERATING

39

203-00-31120

PLATE, INSTRUCTION,HYDRAULIC OIL TANK

40

09683-01060

PLATE, OPERATING

41

09685-00001

PLATE, OPERATING,SAFETY LOCK LEVER

42

203-00-41250

PLATE, OPERATING

Выбрано товаров: 48