Запчасти Komatsu PC120-3 ОСНОВНАЯ РАМА СПЕЦ. APPLICATION ЧАСТИ¤ МАРКИРОВКА¤ ИНСТРУМЕНТ И РЕМКОМПЛЕКТЫ

Схема запчастей Komatsu PC120-3 - ОСНОВНАЯ РАМА СПЕЦ. APPLICATION ЧАСТИ¤ МАРКИРОВКА¤ ИНСТРУМЕНТ И РЕМКОМПЛЕКТЫ
FIT
1:1
100%

Артикул

Название

Примечание

Количество

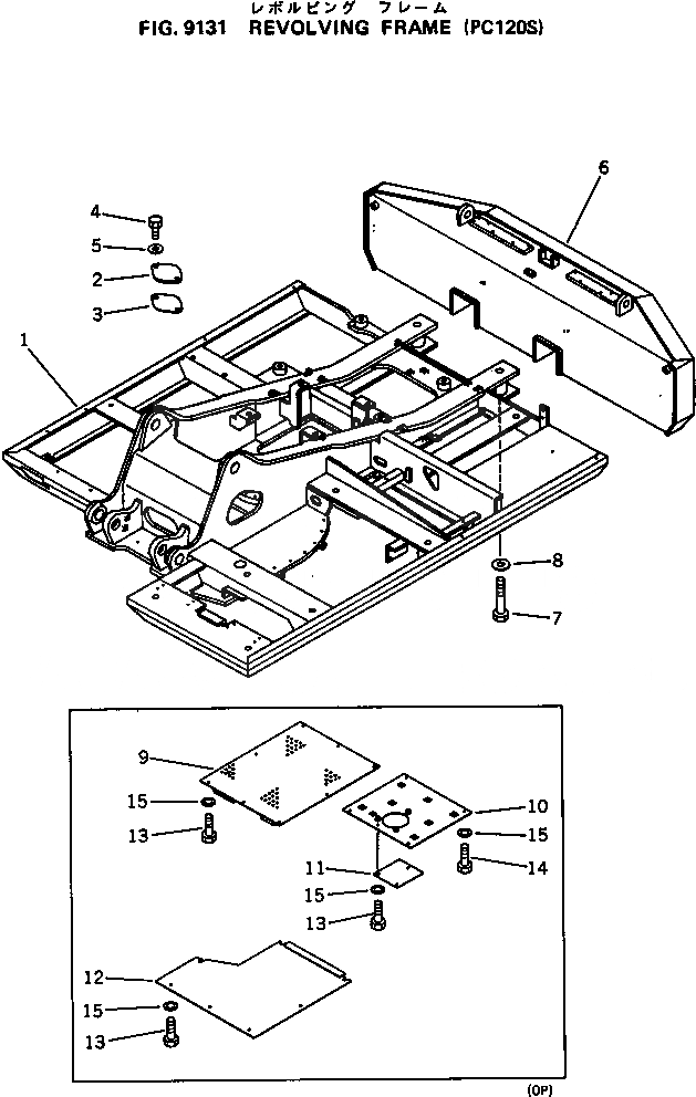
1

203-46-41420

FRAME,REVOLVING

2

203-46-31131

COVER

3

203-46-31181

GASKET

4

01010-51230

BOLT

5

01643-31232

WASHER

6

202-46-51211

WEIGHT,COUNTER

6

202-46-51210

WEIGHT,COUNTER

7

203-46-31221

BOLT

8

01643-33690

WASHER

9

203-54-45170

COVER

9

203-54-44240

COVER

10

203-54-44210

COVER

11

201-54-26420

PLATE

12

203-54-44121

COVER

12

203-54-44120

COVER

13

01010-51025

BOLT

14

01010-51020

BOLT

15

01643-31032

WASHER

Выбрано товаров: 0