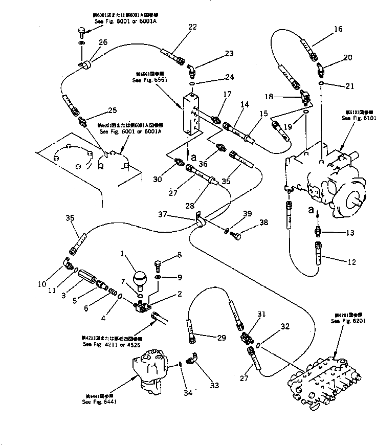
Запчасти Komatsu PC120-5 ГИДРОЛИНИЯ (ГЛАВН. ТРУБЫ /) УПРАВЛ-Е РАБОЧИМ ОБОРУДОВАНИЕМ

Схема запчастей Komatsu PC120-5 - ГИДРОЛИНИЯ (ГЛАВН. ТРУБЫ /) УПРАВЛ-Е РАБОЧИМ ОБОРУДОВАНИЕМ
FIT
1:1
100%

Артикул

Название

Примечание

Количество

1

20Y-60-11410

ACCUMULATOR

2

203-62-57650

TEE

3

203-62-58670

BODY

4

07002-02034

O-RING

5

20X-62-21950

VALVE

6

203-60-21260

SPRING

7

07002-02034

O-RING

8

01010-51025

BOLT

9

01643-31032

WASHER

10

07235-10315

ELBOW

11

07002-02034

O-RING

12

203-62-52440

HOSE¤ 500MM

|12

07102-20305

HOSE

13

07238-10315

CONNECTOR

14

07102-20203

HOSE

15

203-62-58520

MARK¤ A1

16

07102-20204

HOSE

17

07238-10210

CONNECTOR

18

208-26-11611

TEE

19

07002-01423

O-RING

20

07236-10210

ELBOW

21

07002-01423

O-RING

22

203-62-52430

HOSE¤ 700MM

|22

07102-20307

HOSE

23

07235-10315

ELBOW

24

07002-02034

O-RING

25

07238-10315

CONNECTOR

26

08036-01814

CLIP

27

07102-20210

HOSE

28

203-62-58150

MARK¤ A4

29

07102-20205

HOSE

30

07238-10210

CONNECTOR

31

203-62-58420

TEE

32

07002-01423

O-RING

33

07235-10210

ELBOW

34

07002-01423

O-RING

35

07102-20316

HOSE

36

07238-10315

CONNECTOR

37

21K-03-11190

CLIP

38

01010-51025

BOLT

39

01643-31032

WASHER

Выбрано товаров: 41