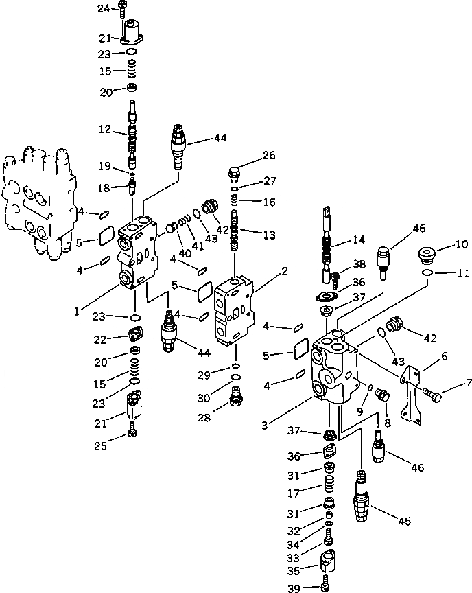
Запчасти Komatsu PC120-5C ГИДРАВЛ УПРАВЛЯЮЩ. КЛАПАН ПРАВ.(/) УПРАВЛ-Е РАБОЧИМ ОБОРУДОВАНИЕМ

Схема запчастей Komatsu PC120-5C - ГИДРАВЛ УПРАВЛЯЮЩ. КЛАПАН ПРАВ.(/) УПРАВЛ-Е РАБОЧИМ ОБОРУДОВАНИЕМ
FIT
1:1
100%

Артикул

Название

Примечание

Количество

|$0

700-85-44000

VALVE ASS'Y,R.H.

1

BLOCK,VALVE

2

BLOCK,VALVE

3

BODY,VALVE

4

07000-03038

O-RING

5

07000-13050

O-RING

6

700-84-11330

BRACKET

7

01010-51020

BOLT

8

709-74-91860

PLUG

9

07002-12434

O-RING

10

07040-13316

PLUG

11

07002-13334

O-RING

12

SPOOL,BUCKET

13

SPOOL,STRAIGHT TRAVEL

14

SPOOL,R.H. TRAVEL

15

700-84-15740

SPRING

16

700-84-13880

SPRING

17

700-84-15710

SPRING

18

700-84-13790

JOINT

19

07002-11223

O-RING

20

700-84-13781

RETAINER

21

700-84-12510

CASE

22

700-84-13490

PLATE

23

700-84-11240

O-RING

24

01252-30616

BOLT

25

01252-30625

BOLT

26

700-84-13870

PLUG

27

07002-02434

O-RING

28

700-84-13510

NIPPLE

29

07000-12015

O-RING

30

07002-02434

O-RING

31

700-84-13711

RETAINER

32

700-84-11641

COLLAR

33

01252-30830

BOLT

34

01643-30823

WASHER

35

700-84-11390

COVER

36

700-84-13891

PLATE

37

700-84-13910

SEAL

38

01252-30612

BOLT

39

01252-30625

BOLT

40

700-42-31460

VALVE

41

700-42-31470

SPRING

42

700-84-11320

PLUG

43

07002-13034

O-RING

44

709-70-74302

VALVE ASS'Y,SUCTION AND SAFETY

45

709-80-52800

VALVE ASS'Y,RELIEF

46

709-20-81201

VALVE ASS'Y,SUCTION

Выбрано товаров: 47