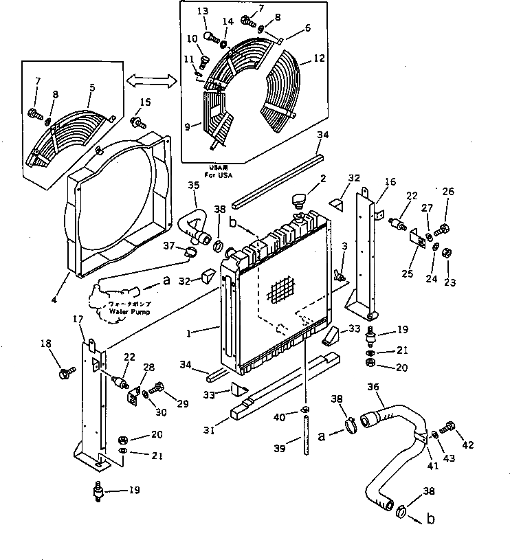
Запчасти Komatsu PC120-5M РАДИАТОР И ТРУБЫ КОМПОНЕНТЫ ДВИГАТЕЛЯ И ЭЛЕКТРИКА

Схема запчастей Komatsu PC120-5M - РАДИАТОР И ТРУБЫ КОМПОНЕНТЫ ДВИГАТЕЛЯ И ЭЛЕКТРИКА
FIT
1:1
100%

Артикул

Название

Примечание

Количество

1

203-03-56360

RADIATOR ASS'Y

2

201-03-51310

CAP

3

205-03-62660

PLUG

3

07000-01007

O-RING

4

203-03-56171

SHROUD

5

203-03-56320

GUARD

6

203-03-56410

GUARD,(FOR USA)

7

01010-51025

BOLT

8

01643-31032

WASHER

9

203-03-56430

GUARD,(FOR USA)

10

01010-51025

BOLT,(FOR USA)

11

01643-31032

WASHER,(FOR USA)

12

203-03-56420

GUARD,(FOR USA)

13

01010-51025

BOLT,(FOR USA)

14

01643-31032

WASHER,(FOR USA)

15

01435-20814

BOLT

16

203-03-56640

SUPPORT

17

203-03-56150

SUPPORT

18

01435-20816

BOLT

19

203-03-56330

CUSHION

20

01580-11008

NUT

21

01643-31032

WASHER

22

203-03-56340

CUSHION

23

01580-10806

NUT

24

01643-30823

WASHER

25

203-03-56260

PLATE

26

01010-51020

BOLT

27

01643-31032

WASHER

28

203-03-56270

PLATE

29

01010-51025

BOLT

30

01643-31032

WASHER

31

203-03-56210

SHEET

32

203-03-56240

SHEET

33

203-03-56230

SHEET

34

203-03-41530

SHEET

35

203-03-56180

HOSE

36

203-978-5340

HOSE

37

207-09-11110

CLAMP

38

208-09-11110

CLAMP

39

203-03-56350

HOSE

40

07280-01010

CLAMP

41

21K-03-11190

CLIP

42

01010-51020

BOLT

43

01643-31032

WASHER

Выбрано товаров: 44