Запчасти Komatsu PC120-5S ПАНЕЛЬ ПРИБОРОВ (ДЛЯ УДЛИНН. РЫЧАГ УПРАВЛ-Е) КОМПОНЕНТЫ ДВИГАТЕЛЯ И ЭЛЕКТРИКА

Схема запчастей Komatsu PC120-5S - ПАНЕЛЬ ПРИБОРОВ (ДЛЯ УДЛИНН. РЫЧАГ УПРАВЛ-Е) КОМПОНЕНТЫ ДВИГАТЕЛЯ И ЭЛЕКТРИКА
FIT
1:1
100%

Артикул

Название

Примечание

Количество

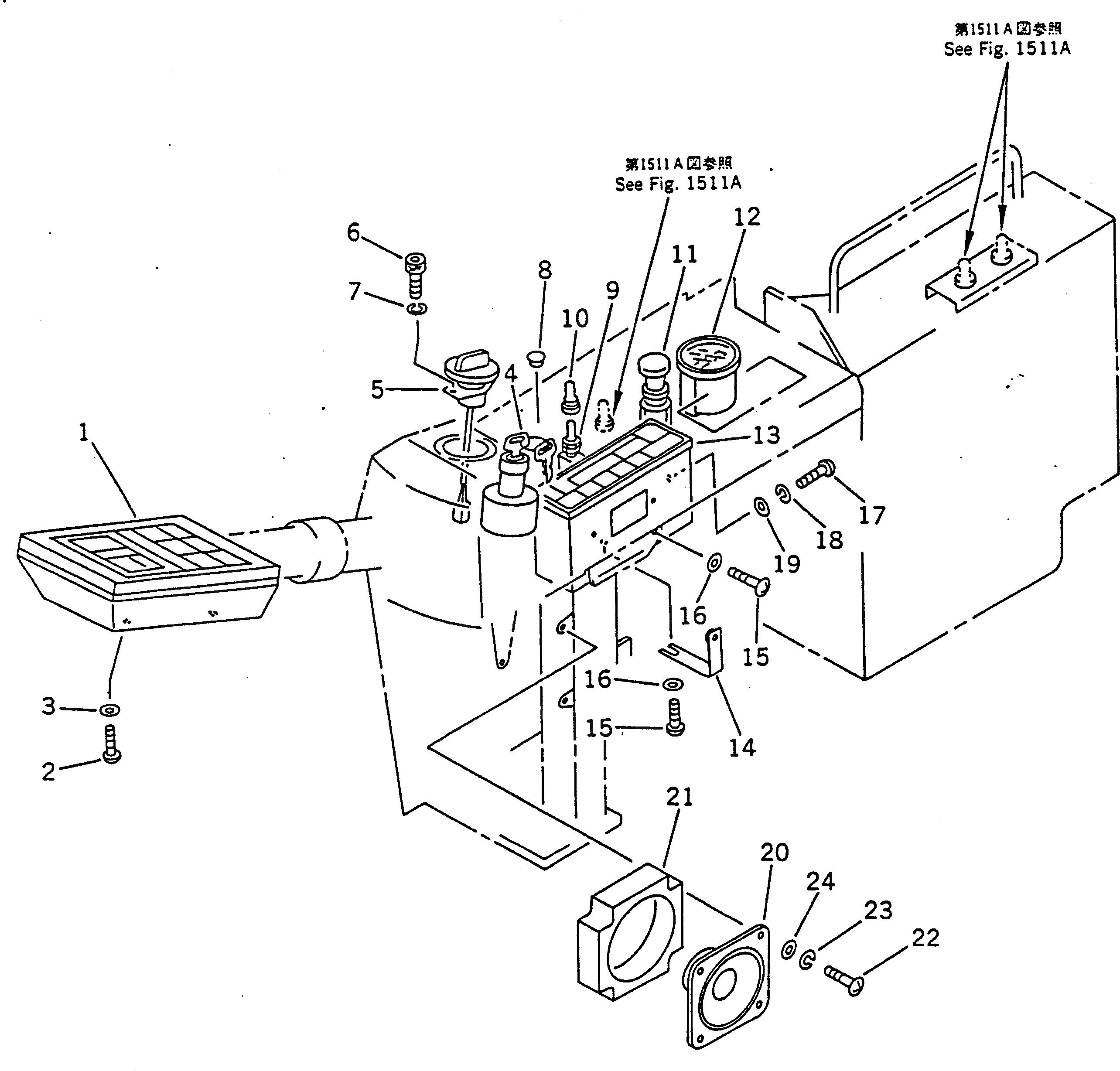
1

7824-70-2101

PANEL,(SEE FIG.1601)

2

01220-70616

SCREW

3

01643-70623

WASHER

4

08086-20000

SWITCH,STARTING

5

7825-30-1301

DIAL,FUEL

6

01252-40410

BOLT

7

01601-20410

WASHER,SPRING

8

203-06-56530

PLUG

9

203-06-56540

SWITCH,WINDOW WASHER

10

203-06-41610

CAP

11

08913-02400

LIGHTER,CIGARETTES

12

203-06-56240

SERVICE METER ASS'Y

13

20Y-06-15940

RADIO

14

203-06-56840

BRACKET

15

01220-40508

SCREW

16

01642-20508

WASHER

17

01220-40512

SCREW

18

01601-20513

WASHER,SPRING

19

01642-20508

WASHER

20

08910-10000

SPEAKER

21

203-06-56560

SHEET

22

01220-40408

SCREW

23

01601-20410

WASHER,SPRING

24

01642-20405

WASHER

Выбрано товаров: 24