Запчасти Komatsu PC120-5X МАРКИРОВКА МАРКИРОВКА¤ ИНСТРУМЕНТ И РЕМКОМПЛЕКТЫ

Схема запчастей Komatsu PC120-5X - МАРКИРОВКА МАРКИРОВКА¤ ИНСТРУМЕНТ И РЕМКОМПЛЕКТЫ
FIT
1:1
100%

Артикул

Название

Примечание

Количество

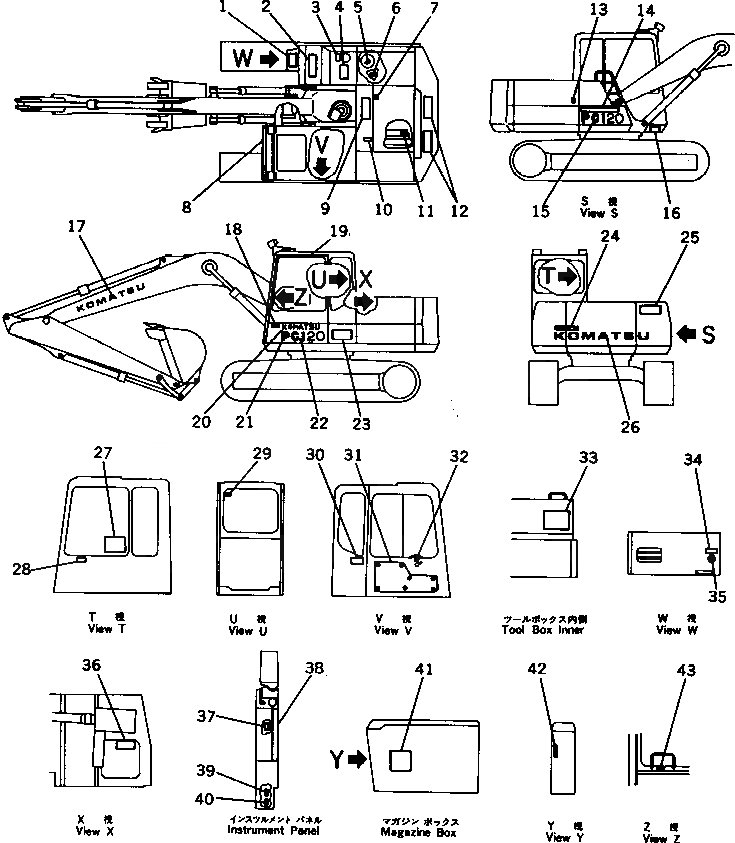
1

203-00-51170

SEAT,NONSKID

2

154-54-23260

SEAT,NONSKID

3

09652-01121

PLATE¤ CAUTION,FUEL

4

203-00-51170

SEAT,NONSKID

5

201-54-21940

PLATE¤ CAUTION,HYDRAULIC TANK CAP

6

09653-00100

PLATE¤ SAFETY,HYDRAULIC TANK CAP

7

09667-00100

PLATE¤ SAFETY,ENGINE COVER

8

20Y-00-11490

PLATE

9

154-54-23260

SEAT,NONSKID

10

09650-01104

PLATE¤ INSTRUCTION,RADIATOR

11

09668-00100

PLATE¤ SAFETY,RADIATOR CAP

12

154-54-23260

SEAT,NONSKID

13

203-00-31120

PLATE¤ INSTRUCTION,HYDRAULIC OIL LEVEL

14

203-00-56580

PLATE¤ MARK,AVANCE LIMITED

15

203-00-56570

PLATE¤ MARK,PC120

16

09602-01635

PLATE¤ NAME,(LIMITED SUPPLY)

|16

04418-13060

SCREW

17

203-00-56620

PLATE¤ MARK,KOMATSU

18

09694-50125

PLATE¤ MARK,SYMBOL

19

20Y-00-11350

PLATE

20

09690-50400

PLATE¤ MARK,KOMATSU

21

203-00-56570

PLATE¤ MARK,PC120

22

20Y-00-11350

PLATE

23

203-00-56590

PLATE¤ MARK,AVANCE LIMITED

24

20Y-00-12180

PLATE¤ MARK,AVANCE

25

203-00-51310

PLATE¤ CAUTION,KEEP OUT OF TURNING AREA

26

203-00-56610

PLATE¤ MARK,KOMATSU

27

203-00-52310

PLATE¤ OPERATING

28

20Y-00-11310

PLATE¤ OPERATING,KOMATSU PATTERN

29

205-00-63230

PLATE¤ CAUTION,AUTO LOCK

30

09699-00100

PLATE¤ CAUTION,WINDOW WASHER

31

20Y-54-17820

COVER

|31

20Y-54-14560

CLIP ASS'Y

32

205-00-71340

PLATE¤ OPERATING,DOOR LOCK

33

203-00-56110

CHART¤ OIL

34

09685-00004

PLATE,LOCK

35

203-00-52290

PLATE¤ OPERATING,LOCK

36

09637-01661

PLATE¤ INSTRUCTION,AIR CLEANER

37

203-00-52260

PLATE¤ OPERATING,WINDOW WASHER

38

203-00-52220

PLATE

39

203-00-52230

PLATE¤ OPERATING,T.V.C. PROLIX

40

203-00-52240

PLATE¤ OPERATING,SWING PROLIX

41

203-00-52110

PLATE¤ DATA

42

09685-00002

PLATE¤ OPERATING,LOCK LEVER

43

203-00-52190

PLATE¤ CAUTION,FRONT WINDOW

Выбрано товаров: 45