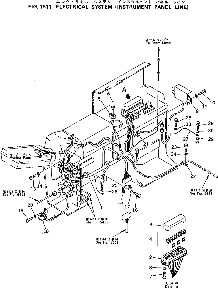
Запчасти Komatsu PC120-5Z ЭЛЕКТРИКА (ЛИНИЯ ПАНЕЛИ ПРИБОРОВ) КОМПОНЕНТЫ ДВИГАТЕЛЯ И ЭЛЕКТРИКА

Схема запчастей Komatsu PC120-5Z - ЭЛЕКТРИКА (ЛИНИЯ ПАНЕЛИ ПРИБОРОВ) КОМПОНЕНТЫ ДВИГАТЕЛЯ И ЭЛЕКТРИКА
FIT
1:1
100%

Артикул

Название

Примечание

Количество

1

203-06-57352

WIRE ASS'Y

1

203-06-57351

WIRE ASS'Y

1

203-06-57350

WIRE ASS'Y

1

22W-06-13590

DIODE

2

195-Z11-2280

BODY,FUSE BOX

3

195-Z11-2290

COVER,FUSE BOX

4

22W-06-13150

FUSE, 5A

4

283-06-16190

FUSE, 10A

4

205-06-73180

FUSE, 15A

5

203-06-56520

SWITCH,SWING LOCK

6

203-06-41680

CAP

7

01220-40620

SCREW

8

01642-20608

WASHER

9

202-06-66240

RESISTOR

10

01010-50820

BOLT

11

01643-30823

WASHER

12

22W-06-13450

RELAY ASS'Y

13

01220-40610

SCREW

14

01642-20608

WASHER

15

08053-16212

CLIP

16

01010-51018

BOLT

17

01643-31032

WASHER

18

203-06-56230

BUZZER ASS'Y

19

01220-40616

SCREW

20

01642-20608

WASHER

21

08034-00519

BAND

22

08036-01014

CLIP

23

01010-51020

BOLT

24

01643-31032

WASHER

25

01010-50816

BOLT

26

01643-30823

WASHER

27

20Y-06-11940

WIRING HARNESS

28

01010-50812

BOLT

29

01605-10818

WASHER

30

01643-30823

WASHER

Выбрано товаров: 35