Запчасти Komatsu PC120-5Z ГИДР. НАСОС. (НАСОС SUB В СБОРЕ /) (/) УПРАВЛ-Е РАБОЧИМ ОБОРУДОВАНИЕМ

Схема запчастей Komatsu PC120-5Z - ГИДР. НАСОС. (НАСОС SUB В СБОРЕ /) (/) УПРАВЛ-Е РАБОЧИМ ОБОРУДОВАНИЕМ
FIT
1:1
100%

Артикул

Название

Примечание

Количество

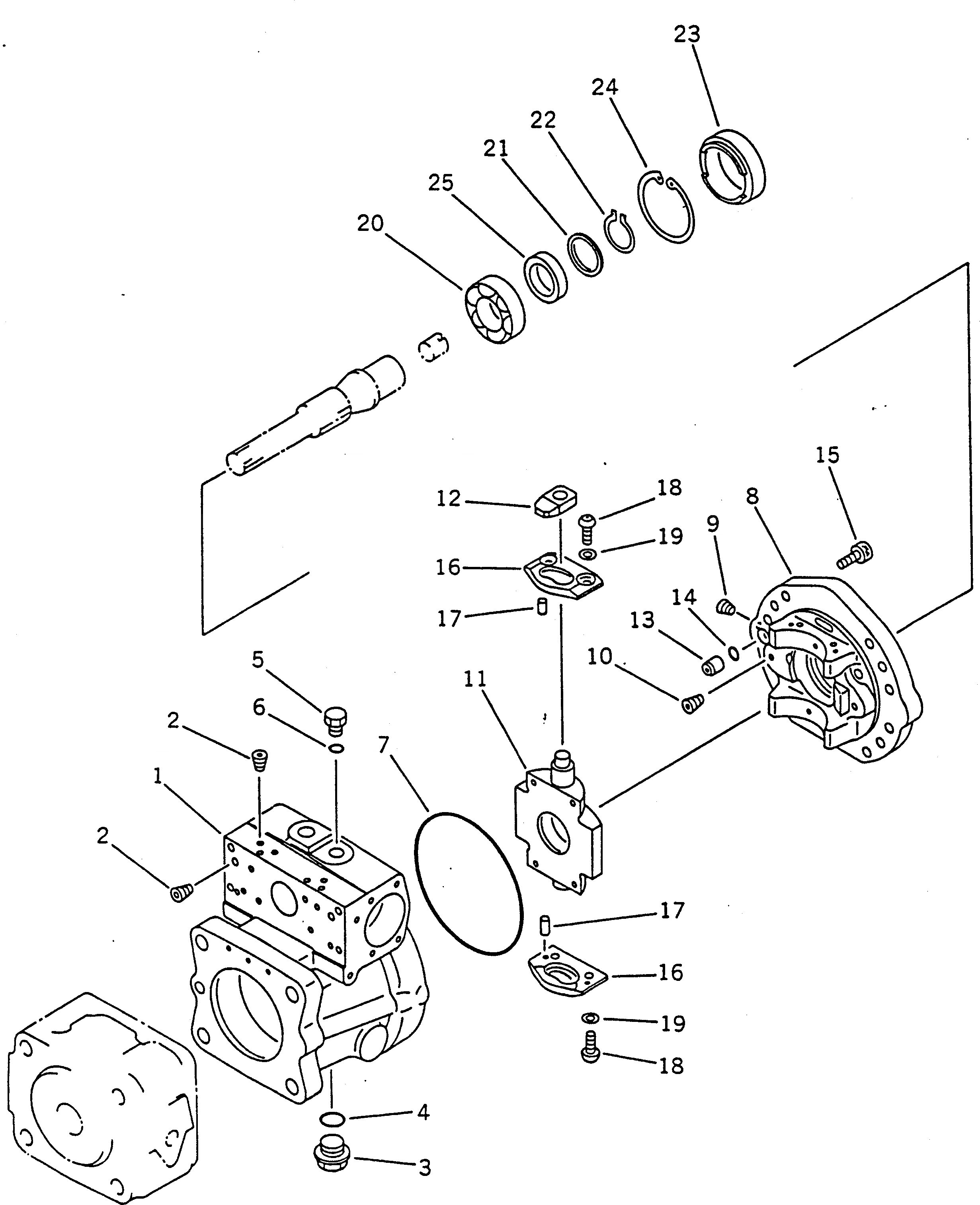
|1

708-23-04014

PUMP ASS'Y,HYDRAULIC (HPV55+55)

|1

708-23-04113

PUMP SUB ASS'Y,HYDRAULIC

|1

708-23-00350

CASE ASS'Y,REAR

1

CASE,REAR

2

PLUG

3

07044-12412

PLUG

4

07002-02434

O-RING

5

720-68-19870

PLUG

6

07002-01223

O-RING

7

706-73-42370

O-RING

|8

708-23-00370

CRADLE ASS'Y,REAR

|8

708-23-00640

CRADLE SUB ASS'Y,REAR

8

CRADLE,REAR

9

PLUG

10

PLUG

11

708-23-13410

CAM,CAM

12

708-23-14120

SLIDER

13

708-23-12330

JOINT

14

07000-12015

O-RING

15

708-25-12350

BOLT

16

708-23-12340

PLATE

17

708-23-12370

PIN

18

708-23-12350

SCREW

19

01643-30823

WASHER

20

708-23-12751

BEARING

21

708-23-05011

WASHER KIT

|21

WASHER¤ 2.50MM

|21

WASHER¤ 2.60MM

|21

WASHER¤ 2.70MM

|21

WASHER¤ 2.80MM

22

708-23-12840

RING,SNAP

23

708-23-12650

RETAINER

24

708-23-12660

RING

25

708-23-12670

COLLAR

Выбрано товаров: 34