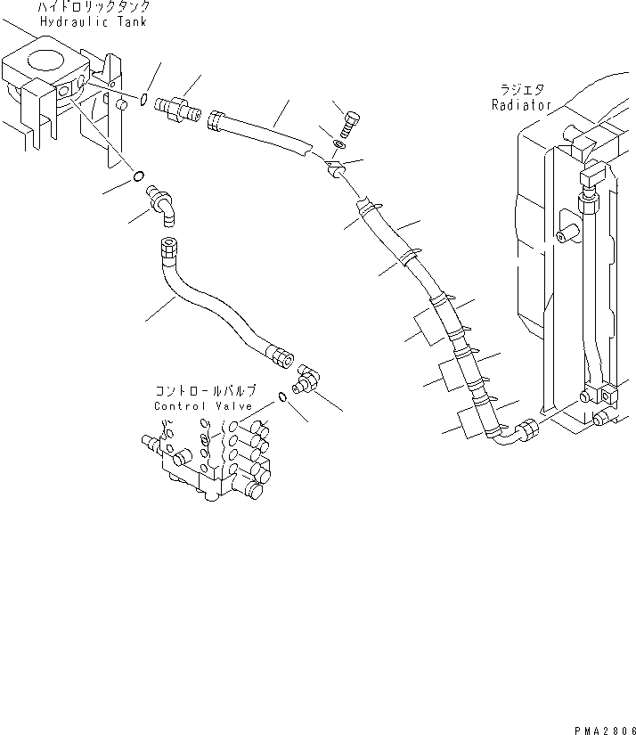
Запчасти Komatsu PC120-6 МАСЛООХЛАДИТЕЛЬ ЛИНИЯ(№-999) ГИДРАВЛИКА

Схема запчастей Komatsu PC120-6 - МАСЛООХЛАДИТЕЛЬ ЛИНИЯ(№-999) ГИДРАВЛИКА
1
2
2
2
3
3
3
3
4
5
6
7
8
9
10
11
12
13
14
15
FIT
1:1
100%

Артикул

Название

Примечание

Количество

1

203-62-61432

HOSE¤ 1270MM

2

205-62-53780

COVER

3

08034-00536

BAND

4

203-62-52210

RUBBER

5

08034-00536

BAND

6

281-01-13180

CLIP

7

01010-51230

BOLT

8

01643-31232

WASHER

9

07235-10628

ELBOW

10

07002-02434

O-RING

11

203-62-59160

HOSE¤ 560MM

12

07230-21034

UNION

13

07002-03334

O-RING

14

203-62-61230

ELBOW

15

07002-02434

O-RING

Выбрано товаров: 15