Запчасти Komatsu PC120-6 КЛАПАН PPC(ДЛЯ ХОДА)(№7-) ОСНОВН. КОМПОНЕНТЫ И РЕМКОМПЛЕКТЫ

Схема запчастей Komatsu PC120-6 - КЛАПАН PPC(ДЛЯ ХОДА)(№7-) ОСНОВН. КОМПОНЕНТЫ И РЕМКОМПЛЕКТЫ
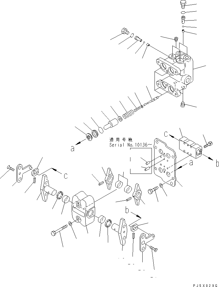
1
2
3
4
5
6
7
8
9
10
11
12
12
13
13
14
15
16
17
18
18
19
19
19
20
21
21
22
23
24
24
25
25
26
26
27
27
28
29
30
30
31
31
32
32
33
33
34
34
35
36
FIT
1:1
100%

Артикул

Название

Примечание

Количество

|1

702-16-01542

PILOT VALVE

|1

702-16-01541

PILOT VALVE

|1

702-16-01540

PILOT VALVE

1

BODY,VALVE

2

VALVE

3

702-16-51140

SHIM¤ 0.30MM

4

702-16-53420

SPRING

5

702-16-53140

RETAINER

6

702-16-54420

SPRING

7

702-16-53170

PISTON

8

702-16-51270

SEAL

9

07000-12020

O-RING

10

702-16-54170

COLLAR

11

702-16-54311

CASE

|11

702-16-54310

CASE

12

LEVER

13

SHAFT

14

PLATE

|14

PLATE

15

01010-80855

BOLT

16

01643-30823

WASHER

17

01010-80816

BOLT

18

04025-00432

PIN,SPRING

19

702-16-54430

BUSHING

20

702-16-54331

WASHER¤ 1.60MM

|20

702-16-54341

WASHER¤ 1.30MM

|20

702-16-54351

WASHER¤ 1.00MM

21

702-16-54280

SEAL,DUST

22

702-16-54506

DAMPER ASS'Y

|22

702-16-54505

DAMPER ASS'Y

|22

702-16-54503

DAMPER ASS'Y

23

01252-60525

BOLT

24

702-16-54511

PLATE

25

04025-00420

PIN,SPRING

26

LEVER

27

01224-40612

SCREW

28

PLUG

29

PLUG

30

07040-11209

PLUG

31

07002-11223

O-RING

32

700-84-11730

BALL

33

702-16-55940

PLUG

34

702-16-55950

SEAT

35

04022-04016

PIN,DOWEL

36

04022-04010

PIN,DOWEL

Выбрано товаров: 0