Запчасти Komatsu PC120-6 ОБОГРЕВАТЕЛЬ. ()(№-) КАБИНА ОПЕРАТОРА И СИСТЕМА УПРАВЛЕНИЯ

Схема запчастей Komatsu PC120-6 - ОБОГРЕВАТЕЛЬ. ()(№-) КАБИНА ОПЕРАТОРА И СИСТЕМА УПРАВЛЕНИЯ
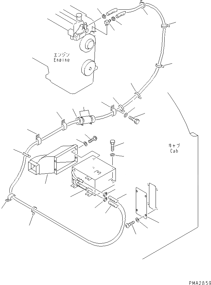
1
2
3
4
5
6
7
7
8
9
10
10
10
10
10
11
11
11
11
12
13
14
14
15
16
16
16
16
17
18
19
FIT
1:1
100%

Артикул

Название

Примечание

Количество

1

20Y-977-2120

HEATER ASS'Y,(SEE FIG.Y1977-01A0)

2

01010-51020

BOLT

3

01643-31032

WASHER

4

20Y-977-2170

COVER

5

01370-00512

SCREW

6

01641-20508

WASHER

7

09483-00433

HOSE

8

203-62-41150

COVER

9

08034-00823

BAND

10

08034-00519

BAND

11

141-06-11220

CLIP

12

01010-51220

BOLT

13

01643-31232

WASHER

14

08034-00823

BAND

15

20S-977-1170

ELBOW

16

09480-10100

CLAMP

17

20Y-977-2111

DUCT

18

7861-86-1330

SCREW

19

01642-20405

WASHER

Выбрано товаров: 19