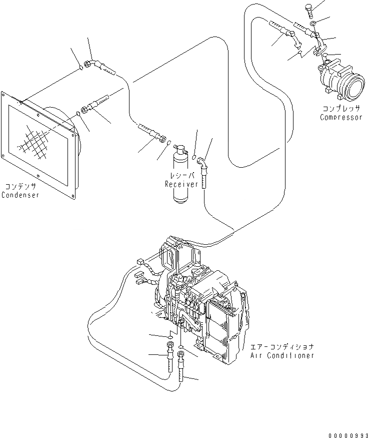
Запчасти Komatsu PC120-6 КОНДИЦ. ВОЗДУХА (FREON ТРУБЫ) (DUST ЗАЩИТА СПЕЦ-Я.)(№87-) КАБИНА ОПЕРАТОРА И СИСТЕМА УПРАВЛЕНИЯ

Схема запчастей Komatsu PC120-6 - КОНДИЦ. ВОЗДУХА (FREON ТРУБЫ) (DUST ЗАЩИТА СПЕЦ-Я.)(№87-) КАБИНА ОПЕРАТОРА И СИСТЕМА УПРАВЛЕНИЯ
1
1
2
2
3
3
3A
3A
4
4
5
6
7
8
9
9
10
10
FIT
1:1
100%

Артикул

Название

Примечание

Количество

1

203-979-5651

HOSE

2

203-979-6390

O-RING

3

203-979-6672

HOSE

3A

20Y-979-5660

O-RING

4

203-979-5631

HOSE

5

203-979-6410

O-RING

6

20Y-979-5650

O-RING

7

01050-51030

BOLT

8

01643-31032

WASHER

9

203-979-5641

HOSE

10

203-979-6390

O-RING

Выбрано товаров: 0