Запчасти Komatsu PC120-6 ЭЛЕКТРОПРОВОДКА (ОСНОВН. Э/ПРОВОДКА) (DUST ЗАЩИТА СПЕЦ-Я.)(№87-) ЭЛЕКТРИКА

Схема запчастей Komatsu PC120-6 - ЭЛЕКТРОПРОВОДКА (ОСНОВН. Э/ПРОВОДКА) (DUST ЗАЩИТА СПЕЦ-Я.)(№87-) ЭЛЕКТРИКА
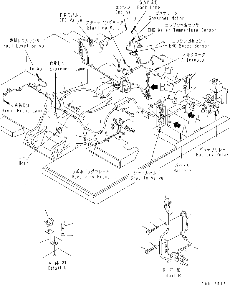
1
2
2A
3
4
5
6
6
7
8
9
9A
10
11
12
13
14
15
16
16
17
18
19
20
20
20
20
20
20
21
22
23
24
25
26
27
28
29
30
31
32
33
34
35
36
FIT
1:1
100%

Артикул

Название

Примечание

Количество

1

203-06-65511

WIRING HARNESS

2

20Y-06-31660

FUSIBLE LINK¤ 30A

2A

20Y-06-15150

FUSIBLE LINK

3

113-899-7950

CLIP

4

01010-81230

BOLT

5

01643-31232

WASHER

6

08036-02514

CLIP

7

01010-81225

BOLT

8

01643-31232

WASHER

9

08036-01814

CLIP

9A

04434-51012

CLIP

|9A

08036-01814

CLIP

10

01010-81220

BOLT

11

01643-31232

WASHER

12

08034-00536

BAND

13

203-06-61820

BRACKET

14

01010-81230

BOLT

15

01643-31232

WASHER

16

20Y-06-21460

CLIP

17

01010-81020

BOLT

18

01643-31032

WASHER

19

08038-00519

CAP

20

113-899-7950

CLIP

21

01010-81225

BOLT

22

01643-31232

WASHER

23

08035-03014

CLIP

24

01010-81220

BOLT

25

01643-31232

WASHER

26

203-06-66130

BRACKET

27

01010-81225

BOLT

28

01643-31232

WASHER

29

203-06-67161

BRACKET

30

01010-81225

BOLT

31

01643-31232

WASHER

32

203-06-67150

WIRING HARNESS

33

08036-01214

CLIP

34

01010-81220

BOLT

35

01643-31232

WASHER

36

08038-10519

CAP

Выбрано товаров: 39