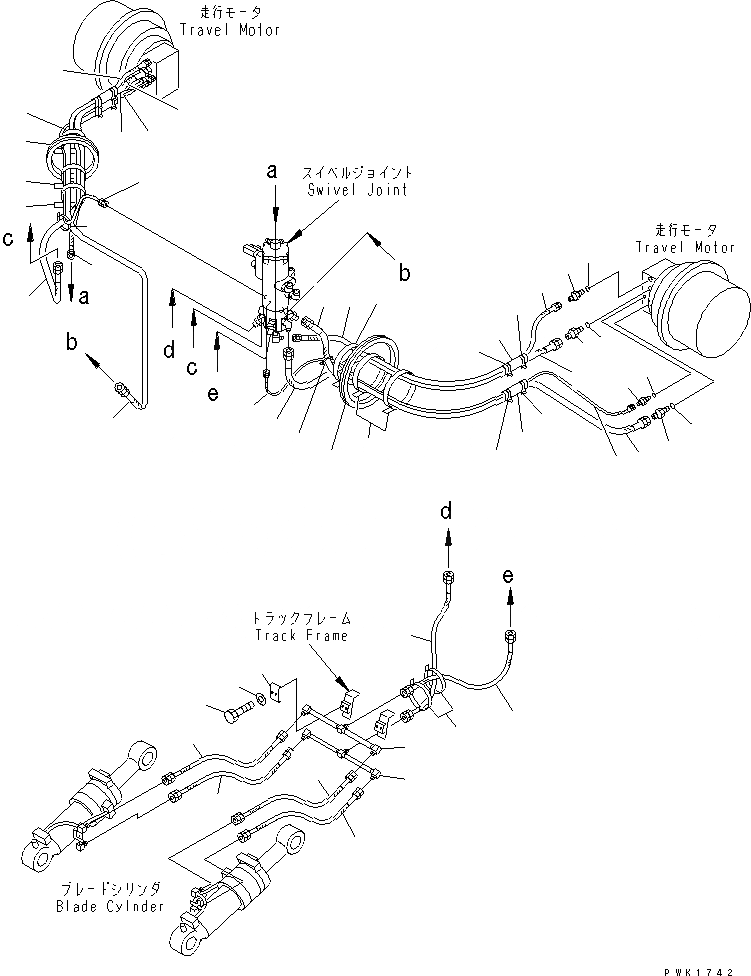
Запчасти Komatsu PC120-6 ГИДРОЛИНИЯ ХОДАНИЖН. (С ОТВАЛ)(№-999) НИЖНЯЯ ГИДРОЛИНИЯ И ЛИНИЯ ХОДА

Схема запчастей Komatsu PC120-6 - ГИДРОЛИНИЯ ХОДАНИЖН. (С ОТВАЛ)(№-999) НИЖНЯЯ ГИДРОЛИНИЯ И ЛИНИЯ ХОДА
1
1
2
2
3
4
5
6
7
7
7
7
8
8
8
8
9
9
9
9
10
10
10
10
11
11
12
12
12
12
12
12
12
13
13
14
14
15
15
16
16
17
17
18
18
18
18
19
20
21
22
FIT
1:1
100%

Артикул

Название

Примечание

Количество

1

07230-20522

UNION

2

07002-12434

O-RING

3

07230-20422

UNION

4

07002-02034

O-RING

5

07230-20210

UNION

6

07002-01423

O-RING

7

07096-00516

HOSE

8

07096-00517

HOSE

|8

07096-00519

HOSE

|8

07096-00517

HOSE

9

07102-20417

HOSE

10

201-62-66650

HOSE¤ 1800MM

11

205-62-53780

COVER

12

08034-00823

BAND

13

203-62-52210

RUBBER

14

08034-00823

BAND

15

203-62-67160

GROMMET

16

07096-00410

HOSE

17

21Y-62-15110

TUBE

18

07096-20407

HOSE

19

203-973-5670

CLAMP

20

01010-51025

BOLT

21

01643-31032

WASHER

22

08034-00823

BAND

Выбрано товаров: 0