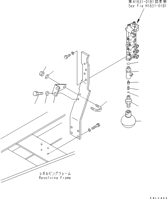
Запчасти Komatsu PC120-6 СОЛЕНОИДНЫЙ КЛАПАН ЛИНИЯ (СОЛЕНОИДНЫЙ КЛАПАН КОРПУС И АККУМУЛЯТОР) (ATTCHMENT) ГИДРАВЛИКА

Схема запчастей Komatsu PC120-6 - СОЛЕНОИДНЫЙ КЛАПАН ЛИНИЯ (СОЛЕНОИДНЫЙ КЛАПАН КОРПУС И АККУМУЛЯТОР) (ATTCHMENT) ГИДРАВЛИКА
1
2
3
4
5
6
7
8
9
10
11
12
13
FIT
1:1
100%

Артикул

Название

Примечание

Количество

1

203-62-65391

BRACKET

2

01010-81025

BOLT

3

01643-31032

WASHER

4

07283-23442

CLIP

5

01599-01011

NUT

6

01643-31032

WASHER

|$10

203-60-62200

VALVE ASS'Y

7

07002-02034

O-RING

8

203-60-62141

NIPPLE

9

203-60-62150

POPPET

10

ELBOW

11

700-30-63160

SPRING

12

07002-02034

O-RING

13

20Y-60-11410

ACCUMULATOR

Выбрано товаров: 14