Запчасти Komatsu PC120-6 ЦИЛИНДР КОВША (ДЛЯ ПОВОРОТН. РУКОЯТЬ)(№7-) ОСНОВН. КОМПОНЕНТЫ И РЕМКОМПЛЕКТЫ

Схема запчастей Komatsu PC120-6 - ЦИЛИНДР КОВША (ДЛЯ ПОВОРОТН. РУКОЯТЬ)(№7-) ОСНОВН. КОМПОНЕНТЫ И РЕМКОМПЛЕКТЫ
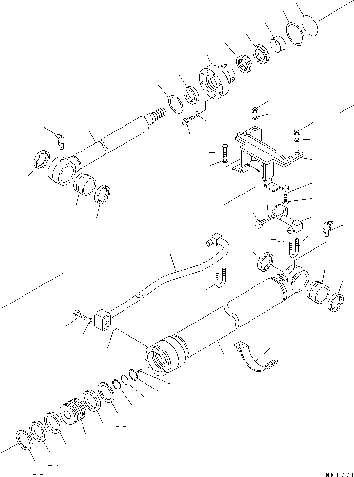
1
2
3
3
4
5
6
7
8
9
10
11
12
13
14
15
16
17
17
18
19
20
21
21
22
22
23
24
25
25
26
27
28
29
30
30
31
31
32
32
33
34
35
36
37
37
38
38
39
39
FIT
1:1
100%

Артикул

Название

Примечание

Количество

G1

203-63-X2790

CYLINDER GROUP

|$2

203-63-02790

CYLINDER ASS'Y,BUCKET

1

203-63-75340

CYLINDER

2

707-76-65210

BUSHING

3

07145-00065

SEAL,DUST (KIT)

4

07020-00675

FITTING,GREASE

5

707-27-90920

HEAD,CYLINDER

6

707-52-90360

BUSHING

7

707-51-60030

PACKING,ROD (KIT)

8

707-51-60630

RING,BUFFER (KIT)

9

07000-15080

O-RING (KIT)

10

707-35-90980

RING,BACK-UP (KIT)

11

141-63-93270

SEAL,DUST (KIT)

12

07179-12074

RING,SNAP

13

01010-81465

BOLT

14

705-17-04980

WASHER

15

202-63-75120

ROD

16

707-76-65220

BUSHING

17

707-77-65110

SEAL,DUST (KIT)

18

07020-00675

FITTING,GREASE

19

707-36-90350

PISTON

20

707-44-90180

RING,PISTON (KIT)

21

707-39-90110

RING,WEAR (KIT)

22

707-44-90911

RING

23

01310-01016

SCREW

24

07000-15055

O-RING (KIT)

25

707-35-90920

RING,BACK-UP (KIT)

26

203-63-75370

TUBE

27

202-966-6271

TUBE

28

07040-11812

PLUG

29

07002-11823

O-RING

30

07000-13025

O-RING (KIT)

31

01010-80850

BOLT

32

01643-50823

WASHER

33

707-88-96290

BAND

34

203-63-74890

BRACKET

35

01010-81035

BOLT

36

01643-51032

WASHER

37

07283-22236

CLIP

38

01599-01011

NUT

39

01643-31032

WASHER

|$43

707-98-27620

SERVICE KIT

Выбрано товаров: 42