Запчасти Komatsu PC120-6E0-T2 ЦИЛИНДР СТРЕЛЫ ОСНОВН. КОМПОНЕНТЫ И РЕМКОМПЛЕКТЫ

Схема запчастей Komatsu PC120-6E0-T2 - ЦИЛИНДР СТРЕЛЫ ОСНОВН. КОМПОНЕНТЫ И РЕМКОМПЛЕКТЫ
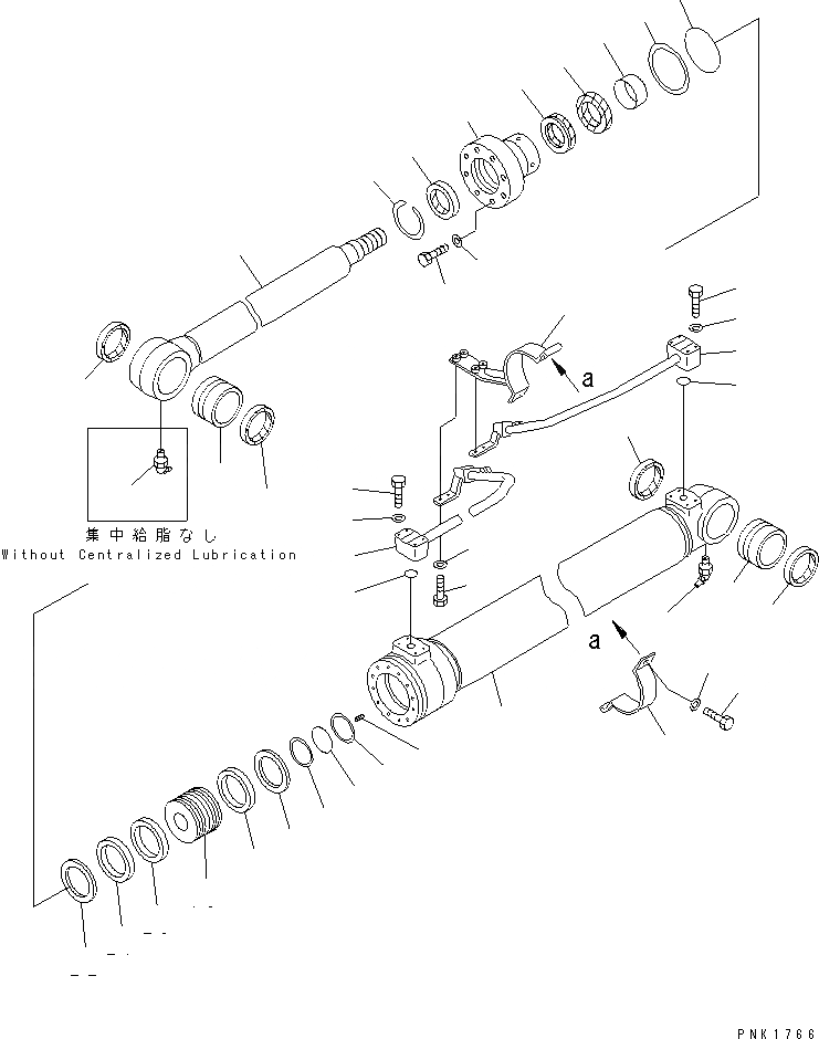
1
2
3
3
4
5
6
7
8
9
10
11
12
13
14
15
16
17
17
18
19
20
21
21
22
22
23
24
25
25
26
27
28
28
29
29
30
30
31
32
33
34
35
36
FIT
1:1
100%

Артикул

Название

Примечание

Количество

G1

707-01-XU050

CYLINDER GROUP,(L.H.)

|G1

203-63-X9020

CYLINDER GROUP,(L.H.)

|G1

203-63-X2701

CYLINDER GROUP,(L.H.)

G2

707-01-XU060

CYLINDER GROUP,(R.H.)

|G2

203-63-X9030

CYLINDER GROUP,(R.H.)

|G2

203-63-X2711

CYLINDER GROUP,(R.H.)

|1

707-01-0F010

CYLINDER ASS'Y,BOOM

|1

203-63-02701

CYLINDER ASS'Y,BOOM

1

707-13-10540

CYLINDER

|1

203-63-55541

CYLINDER

2

707-76-70230

BUSHING

3

07145-00070

SEAL,DUST (KIT)

4

07020-00675

FITTING,GREASE

5

707-27-10971

HEAD,CYLINDER

6

707-52-90470

BUSHING

7

707-51-70030

PACKING,ROD (KIT)

8

707-51-70640

RING,BUFFER (KIT)

|8

707-51-70630

RING,BUFFER (KIT)

9

07000-15095

O-RING (KIT)

10

707-35-91060

RING,BACK-UP (KIT)

11

144-63-95170

SEAL,DUST (KIT)

12

07179-12084

RING,SNAP

13

01010-81465

BOLT

14

705-17-04980

WASHER

15

203-63-55521

ROD

16

707-76-70230

BUSHING

17

07145-00070

SEAL,DUST (KIT)

18

07020-00675

FITTING,GREASE

19

707-36-10760

PISTON

|19

707-36-10571

PISTON

20

707-44-10280

RING,PISTON (KIT)

21

707-39-10550

RING,WEAR (KIT)

|21

707-39-10520

RING,WEAR (KIT)

22

707-44-10911

RING

23

01310-01216

SCREW

24

707-34-60030

O-RING (KIT)

25

707-35-90730

RING,BACK-UP (KIT)

26

707-86-47460

TUBE,L.H.

|26

203-63-55571

TUBE,L.H.

|26

707-86-47470

TUBE,R.H.

|26

203-63-55671

TUBE,R.H.

27

202-63-54380

TUBE,L.H.

|27

202-63-54480

TUBE,R.H.

28

07000-13025

O-RING (KIT)

29

01435-00850

BOLT

|29

01010-80850

BOLT

30

01643-50823

WASHER

31

707-88-21720

BAND

|31

707-88-96971

BAND

32

707-88-25110

BRACKET

|32

707-88-95491

BRACKET

33

01435-01030

BOLT

|33

01010-81035

BOLT

34

01643-51032

WASHER

35

01435-01025

BOLT

|35

01010-81030

BOLT

36

01643-31032

WASHER

|K

707-99-37300

SERVICE KIT

|K

707-98-37670

SERVICE KIT

Выбрано товаров: 59